- Главная
- Справочник
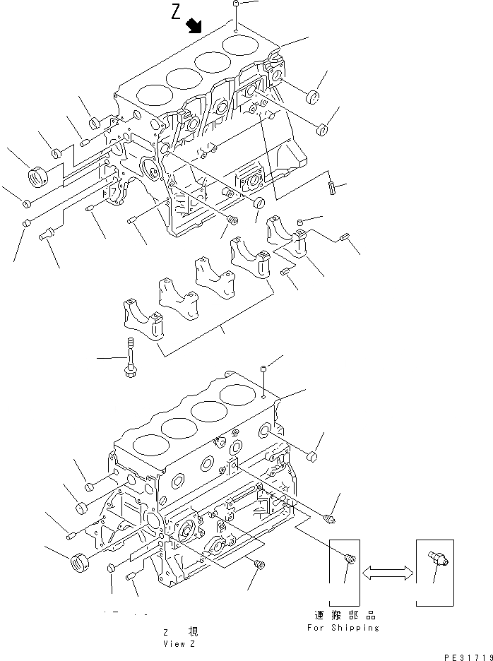
Запчасти блок цилиндров (с проходной фильтр) двигатели s4d95l-1k s/n 135080-up Komatsu
|
|
|$1 |
6205-21-1401 |
CYLINDER BLOCK ASS'Y
|
|
|
1 |
|
BLOCK,CYLINDER
|
|
|
2 |
6206-21-1430 |
BUSHING,CAMSHAFT
|
|
|
3 |
6206-21-1420 |
BUSHING,CAMSHAFT
|
|
|
4 |
6204-29-1210 |
CAP,MAIN METAL, NO.1,2,3,4
|
|
|
5 |
6204-29-1220 |
CAP,MAIN METAL, NO.5
|
|
|
6 |
6141-21-1530 |
RING,DOWEL
|
|
|
7 |
04025-00408 |
PIN,SPRING
|
|
|
8 |
6204-21-1610 |
BOLT
|
|
|
9 |
6204-51-1711 |
BUSHING,OIL PUMP
|
|
|
10 |
6204-51-1620 |
SHAFT
|
|
|
11 |
6136-52-1620 |
PIN,OIL PUMP
|
|
|
12 |
07046-41810 |
PLUG,EXPANSION
|
|
|
13 |
04020-00820 |
PIN,DOWEL
|
|
|
14 |
07046-42216 |
PLUG
|
|
|
15 |
04020-01228 |
PIN,DOWEL
|
|
|
16 |
07046-43016 |
PLUG,EXPANSION
|
|
|
17 |
07046-42516 |
PLUG,EXPANSION
|
|
|
18 |
07042-10312 |
PLUG
|
|
|
19 |
07043-50108 |
PLUG
|
|
|
20 |
6140-21-1130 |
BUSHING,DOWEL
|
|
|
21 |
6207-21-1190 |
PIN,ROLL
|
|
|
22 |
07046-44016 |
PLUG
|
|
|
23 |
08073-10505 |
SWITCH
|
1
1
2
3
4
5
6
7
7
8
9
10
11
12
12
13
13
14
15
15
16
16
16
16
17
17
18
19
19
19
20
20
21
22
23