- Главная
- Справочник
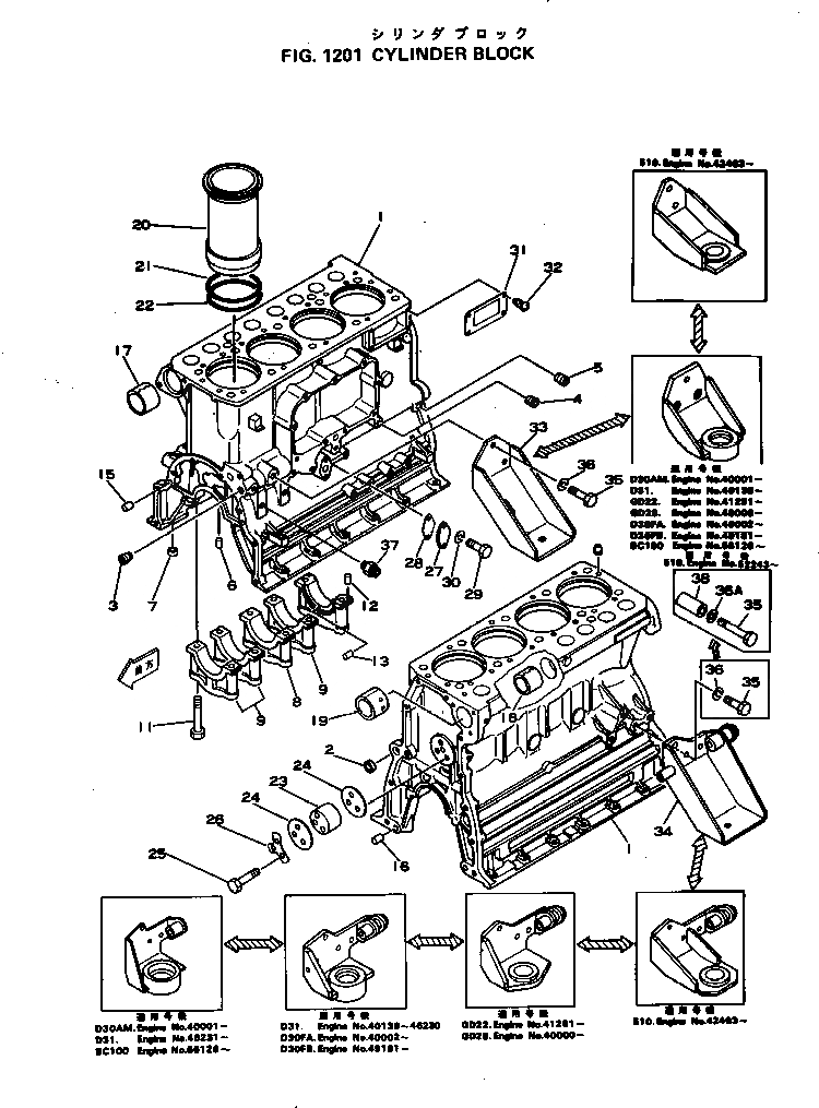
Запчасти блок цилиндров двигатели 4d105-3s s/n 66126-up Komatsu
|
|
|1 |
6130-22-1200 |
CYLINDER BLOCK ASS'Y
|
|
|
1 |
|
BLOCK,CYLINDER
|
|
|
2 |
6130-11-1420 |
PLUG
|
|
|
3 |
07043-50415 |
PLUG
|
|
|
|3 |
07042-00415 |
PLUG
|
|
|
4 |
6100-21-1130 |
PLUG
|
|
|
5 |
6110-23-1170 |
PLUG
|
|
|
6 |
6130-22-1920 |
PIN
|
|
|
7 |
07046-21410 |
PLUG
|
|
|
8 |
6130-29-1240 |
CAP,MAIN METAL
|
|
|
9 |
6130-29-1220 |
CAP,MAIN METAL
|
|
|
10 |
6130-29-1260 |
CAP,MAIN METAL
|
|
|
11 |
6130-22-1710 |
BOLT
|
|
|
12 |
04020-00514 |
PIN,DOWEL
|
|
|
13 |
6130-21-1262 |
PIN,DOWEL
|
|
|
14 |
6130-22-1910 |
PIN,GROOVE
|
|
|
15 |
04020-01024 |
PIN,DOWEL
|
|
|
16 |
04020-01434 |
PIN,DOWEL
|
|
|
17 |
6130-21-1410 |
BUSHING,CAMSHAFT
|
|
|
18 |
6130-21-1420 |
BUSHING,CAMSHAFT
|
|
|
19 |
6130-21-1430 |
BUSHING,CAMSHAFT
|
|
|
20 |
6130-22-2310 |
LINER,CYLINDER
|
|
|
21 |
6130-21-2220 |
O-RING (K2)
|
|
|
22 |
6130-21-2230 |
O-RING (K2)
|
|
|
23 |
6130-21-2410 |
SHAFT,IDLE
|
|
|
24 |
6130-21-2420 |
PLATE,THRUST
|
|
|
25 |
01010-61265 |
BOLT
|
|
|
26 |
6130-21-2430 |
PLATE,LOCK (K2)
|
|
|
27 |
6130-21-6220 |
PLATE
|
|
|
28 |
6130-21-6231 |
GASKET (K2)
|
|
|
29 |
01010-30822 |
BOLT
|
|
|
30 |
01602-00825 |
WASHER,SPRING
|
|
|
32 |
04418-02550 |
SCREW
|
|
|
33 |
6130-22-3731 |
BRACKET,FRONT¤ L.H.
|
|
|
34 |
6130-22-3741 |
BRACKET,FRONT¤ R.H.
|