| |1 | 6110-74-1002 | INJECTION PUMP ASS'Y | |
| |1 | ND090800-0691 | GOVERNOR ASS'Y | |
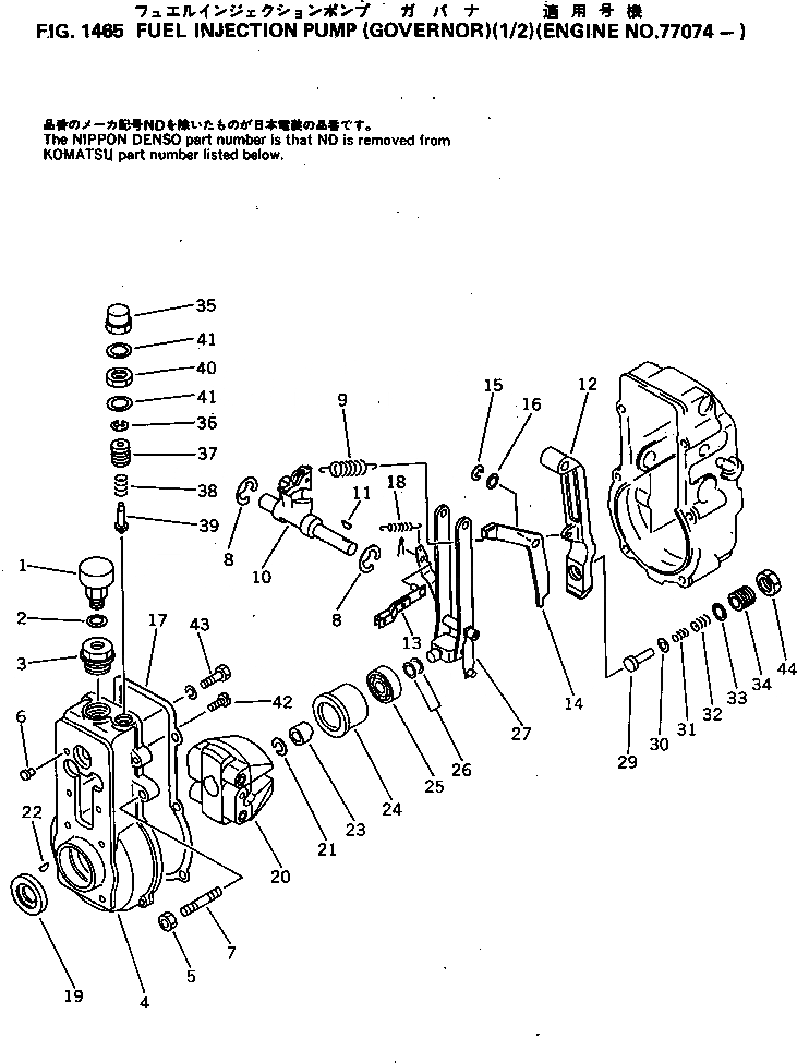
| 1 | ND090280-0040 | FILTER | |
| 2 | ND090241-0010 | WASHER¤ 1.6MM | |
| 3 | ND090815-0020 | NIPPLE | |
| 4 | ND090811-0270 | HOUSING | |
| 5 | ND949053-0051 | NUT | |
| 6 | ND090813-0010 | PIN | |
| 7 | ND090821-0020 | STOPPER | |
| 8 | ND949071-0090 | WASHER | |
| 9 | ND090992-0020 | SPRING | |
| 10 | ND090880-0020 | LEVER | |
| 11 | ND949130-0030 | KEY | |
| 12 | ND090900-0020 | LEVER ASS'Y | |
| 13 | ND090970-0010 | SHACKLE ASS'Y | |
| 14 | ND091170-0010 | LEVER ASS'Y | |
| 15 | ND090894-0030 | E-RING | |
| 16 | ND949013-0830 | WASHER | |
| 17 | ND090823-0021 | GASKET | |
| 18 | ND090993-0010 | SPRING | |
| 19 | ND949150-0030 | SEAL | |
| 20 | ND090840-0040 | FLYWEIGHT ASS'Y | |
| 21 | ND090843-0010 | WASHER | |
| 22 | ND949130-0050 | KEY | |
| 23 | ND090844-0010 | NUT | |
| 24 | ND090861-0010 | SLEEVE | |
| 25 | ND949100-0010 | BEARING | |
| 26 | ND949013-4090 | WASHER¤ 0.1MM | |
| |26 | ND949013-4060 | WASHER¤ 0.2MM | |
| |26 | ND949013-4070 | WASHER¤ 0.3MM | |
| |26 | ND949013-4080 | WASHER¤ 0.4MM | |
| |26 | ND949013-4100 | WASHER¤ 1.0MM | |
| 27 | ND090959-0040 | LEVER ASS'Y | |
| 28 | ND090940-0010 | LEVER ASS'Y,(NOT SHOWN) | |
| |29 | ND090910-0211 | ADAPTER ASS'Y | |
| 29 | ND090919-0060 | ADAPTER | |
| 30 | ND949013-4450 | WASHER¤ 0.1MM | |
| |30 | ND949013-3750 | WASHER¤ 0.3MM | |
| 31 | ND090918-0251 | SPRING | |
| 32 | ND090918-0290 | SPRING | |
| 33 | ND949013-3890 | WASHER¤ 0.1MM | |
| |33 | ND949013-4110 | WASHER¤ 0.2MM | |
| 34 | ND090911-0020 | SCREW | |
| 35 | ND090032-0020 | NUT | |
| 36 | ND090894-0010 | E-RING | |
| 37 | ND090026-0030 | SCREW | |
| 38 | ND090027-0110 | SPRING | |
| 39 | ND090919-0050 | ADAPTER | |
| 40 | ND949053-0100 | NUT | |
| 41 | ND949018-0350 | WASHER | |
| 42 | ND949005-0190 | SCREW | |
| 43 | ND91518-08221 | BOLT | |
| 44 | ND090923-0010 | NUT |