zakaz@zapkomat.su
8 800 777-45-32
Расчитать заявку
Каталог
Типы
Гидравлика
Крепеж
Прокладки
Соединения
Кожухи
Электрика
Справочник
Запрос сотрудничества
Сервисным организациям
Контакты
Главная
Справочник
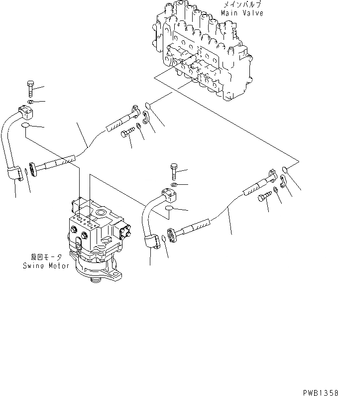
Запчасти линия поворота экскаваторы pc400st-6 s/n 10001-up Komatsu
1
07099-01008
HOSE
2
07000-13032
O-RING
3
07371-31049
FLANGE
4
07372-21035
BOLT
5
01643-51032
WASHER
6
207-62-61381
TUBE
7
207-62-61391
TUBE
8
07000-13035
O-RING
9
01010-81065
BOLT
10
01643-51032
WASHER
1
1
2
2
2
2
3
3
4
4
5
5
6
7
8
8
9
9
10
10
X
Рассчитать
Ваше имя:
Телефон *:
E-mail:
Сообщение: Пришлите наличие и стоимость
Оформить заказ