- Главная
- Справочник
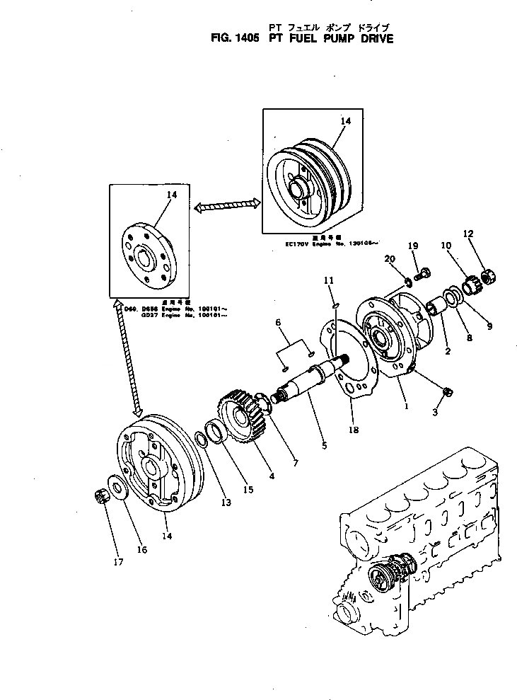
Запчасти pt топливн. насос привод бульдозеры гусеничные d80a-12 s/n 10001-up Komatsu
|
|
|$0 |
6610-71-7011 |
DRIVE ASS'Y,FUEL PUMP
|
|
|
|$1 |
6610-71-7020 |
HOUSING ASS'Y
|
|
|
1 |
|
HOUSING
|
|
|
2 |
6610-71-7120 |
BUSHING
|
|
|
3 |
02720-20204 |
PLUG
|
|
|
4 |
6610-71-7220 |
GEAR,FUEL PUMP DRIVE
|
|
|
5 |
6610-71-7210 |
SHAFT,FUEL PUMP DRIVE
|
|
|
6 |
02410-01025 |
KEY
|
|
|
7 |
6610-71-7231 |
WASHER,THRUST
|
|
|
8 |
6610-71-7241 |
WASHER,THRUST
|
|
|
9 |
6610-71-7260 |
WASHER
|
|
|
10 |
6610-71-7310 |
COUPLING,FUEL PUMP
|
|
|
11 |
02410-00619 |
KEY
|
|
|
12 |
6610-71-7280 |
NUT,LOCK
|
|
|
13 |
6610-71-7251 |
SEAL,OIL
|
|
|
|$15 |
6676-71-7052 |
PULLEY ASS'Y
|
|
|
14 |
|
PULLEY
|
|
|
15 |
6610-71-7520 |
SLEEVE
|
|
|
16 |
01643-32245 |
WASHER
|
|
|
16 |
02300-13040 |
WASHER
|
|
|
17 |
6610-71-7280 |
NUT,LOCK
|
|
|
18 |
6610-71-7810 |
GASKET (K2)
|
|
|
19 |
02030-20725 |
BOLT
|
|
|
20 |
02310-11428 |
WASHER,SPRING
|