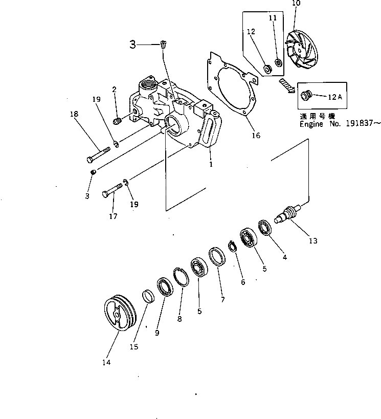
| |1 | 6711-62-1101 | WATER PUMP ASS'Y | |
| 1 | 6711-61-1111 | BODY | |
| 2 | 02720-20607 | PLUG | |
| 3 | 02720-20204 | PLUG | |
| 4 | 6711-61-1330 | SEAL,OIL (K3) | |
| 5 | 06000-06305 | BEARING | |
| 6 | 6712-61-1120 | RING,SNAP | |
| 7 | 6712-61-1130 | SPACER | |
| 8 | 6676-62-1120 | RING,SNAP | |
| 9 | 6711-61-1340 | SEAL,OIL (K3) | |
| 10 | 6711-61-1320 | IMPELLER | |
| 11 | 6711-61-1390 | SEAT (K3) | |
| |11 | 6710-61-1390 | SEAT | |
| 12 | 6711-61-1380 | SEAL,WATER (K3) | |
| |12 | 6710-61-1511 | SEAL,WATER (K3) | |
| 12A | 6610-61-1520 | SEAL¤ WATER (K3) | |
| 13 | 6711-61-1312 | SHAFT | |
| |14 | 6711-61-1050 | PULLEY ASS'Y | |
| 14 | PULLEY | ||
| 15 | 6711-61-1150 | SLEEVE | |
| 16 | 6710-61-1230 | GASKET (K3) | |
| 17 | 02030-80657 | BOLT | |
| 18 | 02030-80683 | BOLT | |
| 19 | 01602-00929 | WASHER,SPRING |