zakaz@zapkomat.su
8 800 777-45-32
Расчитать заявку
Каталог
Типы
Гидравлика
Крепеж
Прокладки
Соединения
Кожухи
Электрика
Справочник
Запрос сотрудничества
Сервисным организациям
Контакты
Главная
Справочник
Запчасти мех-м отбора мощности экскаваторы pc05-6 s/n 5001-up Komatsu
|$0
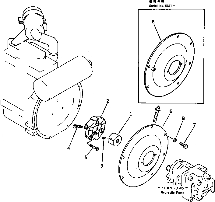
20N-01-43700
COUPLING ASS'Y
1
20N-01-43710
BOSS
2
20R-01-11210
RUBBER
3
04025-00408
PIN,SPRING
4
20M-01-16630
BOLT
5
20N-01-43251
BOLT
5
01252-41035
BOLT
6
20W-01-15111
COVER
6
20N-01-43510
COVER
7
01010-51020
BOLT
8
01643-31032
WASHER
X
Рассчитать
Ваше имя:
Телефон *:
E-mail:
Сообщение: Пришлите наличие и стоимость
Оформить заказ