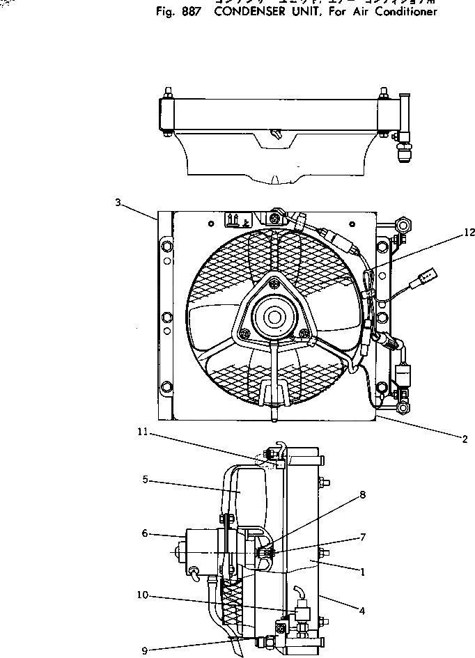
Запчасти конденсатор блок¤ с кондиционером экскаваторы pc220-2 s/n 11001-up Komatsu



|$0 205-979-6150 CONDENSER ASS'Y
1 205-979-7550 CORE
2 205-979-7560 SHROUD
3 205-979-7570 BRACKET
4 205-979-7580 BRACKET
5 205-979-7590 FAN
6 205-979-7600 MOTOR ASS'Y
7 205-979-7610 NUT
8 205-979-7620 WASHER
9 205-979-7630 CLAMP
10 205-979-7640 SWITCH
11 205-979-7650 RESISTOR
12 205-979-7660 HARNESS ASS'Y
X
Рассчитать