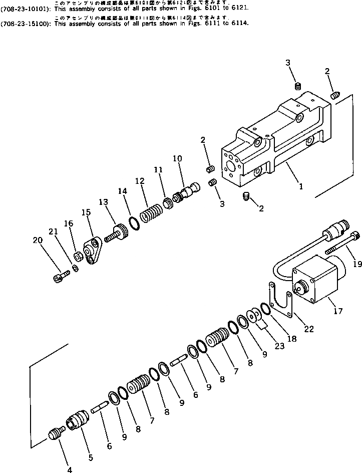
| |1 | 708-23-10101 | PUMP ASS'Y (HPV55+55) | |
| |1 | 708-23-15100 | SERVO VALVE ASS'Y,FRONT | |
| |1 | 708-23-18100 | VALVE ASS'Y,T.V.C. | |
| 1 | BODY | ||
| 2 | PLUG | ||
| 3 | PLUG | ||
| 4 | PISTON | ||
| 5 | SLEEVE | ||
| 6 | PISTON | ||
| 7 | SLEEVE | ||
| 8 | O-RING | ||
| 9 | RING,BACK-UP | ||
| 10 | SPOOL | ||
| 11 | SEAT | ||
| 12 | SPRING | ||
| 13 | PLUG | ||
| 14 | O-RING | ||
| 15 | COVER | ||
| 16 | NUT | ||
| 17 | 708-23-18220 | SOLENOID ASS'Y | |
| 18 | 07000-02016 | O-RING | |
| 19 | 720-68-19750 | BOLT | |
| 20 | BOLT | ||
| 21 | WASHER,SPRING | ||
| 22 | SHIM¤ 0.50MM | ||
| 23 | SHIM¤ 0.50MM |