- Главная
- Справочник
Запчасти блок цилиндров бульдозеры гусеничные d21p-6 s/n 60001-up (straight tilt dozer) Komatsu
|
|
|$0 |
6204-21-1102 |
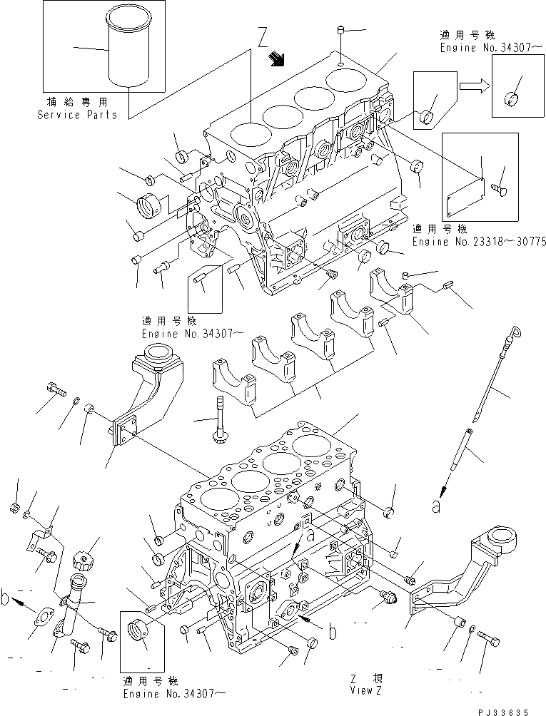
CYLINDER BLOCK ASS'Y
|
|
|
|$1 |
6204-21-1101 |
CYLINDER BLOCK ASS'Y
|
|
|
1 |
|
BLOCK,CYLINDER
|
|
|
1 |
|
BLOCK,CYLINDER
|
|
|
2 |
6204-21-1410 |
BUSHING,CAMSHAFT
|
|
|
3 |
6206-21-1420 |
BUSHING,CAMSHAFT
|
|
|
4 |
6204-29-1210 |
CAP,MAIN METAL, NO.1,2,3,4
|
|
|
5 |
6204-29-1220 |
CAP,MAIN METAL, NO.5
|
|
|
6 |
6141-21-1530 |
RING,DOWEL
|
|
|
7 |
04025-00408 |
PIN,SPRING
|
|
|
8 |
6204-21-1610 |
BOLT,MAIN CAP
|
|
|
9 |
6204-51-1711 |
BUSHING,OIL PUMP
|
|
|
9 |
6204-51-1710 |
BUSHING,OIL PUMP
|
|
|
10 |
6204-51-1620 |
SHAFT,OIL PUMP
|
|
|
11 |
07046-41810 |
PLUG
|
|
|
12 |
04020-00820 |
PIN,DOWEL
|
|
|
13 |
6136-52-1620 |
PIN,DOWEL
|
|
|
14 |
07046-42216 |
PLUG
|
|
|
15 |
04020-01228 |
PIN,DOWEL
|
|
|
16 |
07046-43016 |
PLUG
|
|
|
16 |
07046-43016 |
PLUG
|
|
|
17 |
07046-44016 |
PLUG
|
|
|
18 |
07046-42516 |
PLUG
|
|
|
18 |
07046-42516 |
PLUG
|
|
|
19 |
07042-10312 |
PLUG
|
|
|
20 |
07043-50108 |
PLUG
|
|
|
21 |
6140-21-1130 |
BUSHING,DOWEL
|
|
|
22 |
07046-44016 |
PLUG
|
|
|
23 |
07046-23016 |
PLUG
|
|
|
|$30 |
6202-22-7100 |
FILLER ASS'Y
|
|
|
24 |
6202-22-7110 |
FILLER
|
|
|
25 |
6136-21-7120 |
CAP ASS'Y
|
|
|
26 |
6132-11-4820 |
GASKET (K2)
|
|
|
27 |
01435-20820 |
BOLT
|
|
|
28 |
6202-22-7170 |
BRACKET
|
|
|
29 |
01435-21016 |
BOLT
|
|
|
30 |
6301-65-8590 |
CLAMP
|
|
|
31 |
01435-20816 |
BOLT
|
|
|
32 |
01580-00806 |
NUT
|
|
|
33 |
01602-00825 |
WASHER,SPRING
|
|
|
34 |
07046-42216 |
PLUG,(WITHOUT OIL COOLER)
|
|
|
35 |
07046-41410 |
PLUG,(WITHOUT OIL COOLER)
|
|
|
36 |
08073-00505 |
SWITCH
|
|
|
37 |
6202-21-5410 |
GUIDE,OIL GAUGE
|
|
|
38 |
6202-21-5320 |
GAUGE,OIL
|
|
|
39 |
6204-21-3710 |
SUPPORT,L.H.
|
|
|
40 |
6204-21-3720 |
SUPPORT,R.H.
|
|
|
41 |
144-874-7470 |
BOSS
|
|
|
41 |
195-01-14540 |
COLLAR
|
|
|
42 |
144-874-7470 |
BOSS
|
|
|
43 |
01010-51055 |
BOLT
|
|
|
44 |
01643-31032 |
WASHER
|
|
|
45 |
09605-01411 |
PLATE, NAME,(ENGLISH)
|
|
|
46 |
04418-02550 |
SCREW
|
|
|
47 |
6207-21-2110 |
LINER (MARK A),CYLINDER
|
|
|
47 |
6207-21-2120 |
LINER (MARK B),CYLINDER
|
1
1
2
3
4
5
6
7
7
7
8
9
10
11
11
12
12
13
14
15
15
16
16
16
16
17
18
18
19
20
20
21
22
23
24
25
26
27
28
29
30
31
32
33
34
35
36
37
38
39
40
41
42
43
43
44
44
45
46
47