zakaz@zapkomat.su
8 800 777-45-32
Расчитать заявку
Каталог
Типы
Гидравлика
Крепеж
Прокладки
Соединения
Кожухи
Электрика
Справочник
Запрос сотрудничества
Сервисным организациям
Контакты
Главная
Справочник
Запчасти гидр. насос. (/) экскаваторы pc100-2 s/n 13001-up Komatsu
|1
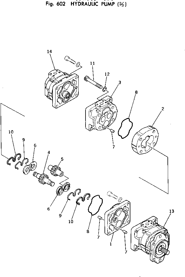
705-58-34000
PUMP ASS'Y
|1
705-14-34330
PUMP ASS'Y
1
BRACKET
2
CASE
3
CARRIER
4
GEAR
5
GEAR
6
PLATE
7
PIN
8
O-RING
9
RING
10
SEAL
11
BOLT
12
WASHER
13
705-22-34210
PUMP ASS'Y
14
705-16-26530
PUMP ASS'Y
X
Рассчитать
Ваше имя:
Телефон *:
E-mail:
Сообщение: Пришлите наличие и стоимость
Оформить заказ