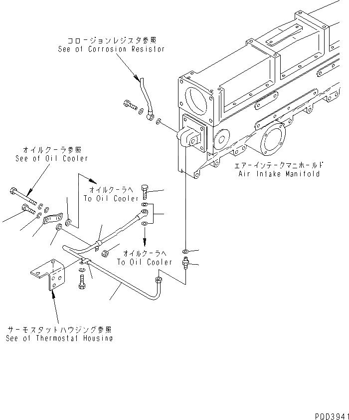
Запчасти антикорроз. элемент (/)(№789-) двигатели saa6d170e-2d-8 s/n 17001-up Komatsu



1 6162-65-8260 TUBE
2 07206-31014 BOLT,JOINT
3 07005-01412 GASKET (K2)
4 6162-83-6270 STAY
5 04434-51010 CLIP
6 01010-81025 BOLT
7 01580-01008 NUT
8 01602-01030 WASHER,SPRING
9 6136-11-2980 SPACER
10 07211-81016 CONNECTOR
11 07005-01612 GASKET (K1)
12 01643-31032 WASHER
1
2
3
4
5
5
6
7
8
9
10
11
12
X
Рассчитать