zakaz@zapkomat.su
8 800 777-45-32
Расчитать заявку
Каталог
Типы
Гидравлика
Крепеж
Прокладки
Соединения
Кожухи
Электрика
Справочник
Запрос сотрудничества
Сервисным организациям
Контакты
Главная
Справочник
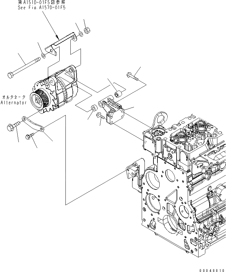
Запчасти крепление генератора (для a защитн. генератор) двигатели saa6d107e-1e-w s/n 26500006-up Komatsu
1
6754-81-6140
SUPPORT ASS'Y
2
6742-01-2441
BOLT
3
6732-61-3110
BOLT
4
6207-81-6980
BOLT
5
01641-21223
WASHER,FLAT
6
6732-81-6490
SPACER
7
6732-81-6530
SPACER
8
01580-11210
NUT
9
6754-81-6150
BRACKET
10
01435-61025
BOLT
10
6735-71-3220
BOLT
11
01050-31230
BOLT
1
2
3
4
5
5
6
7
8
9
10
11
X
Рассчитать
Ваше имя:
Телефон *:
E-mail:
Сообщение: Пришлите наличие и стоимость
Оформить заказ