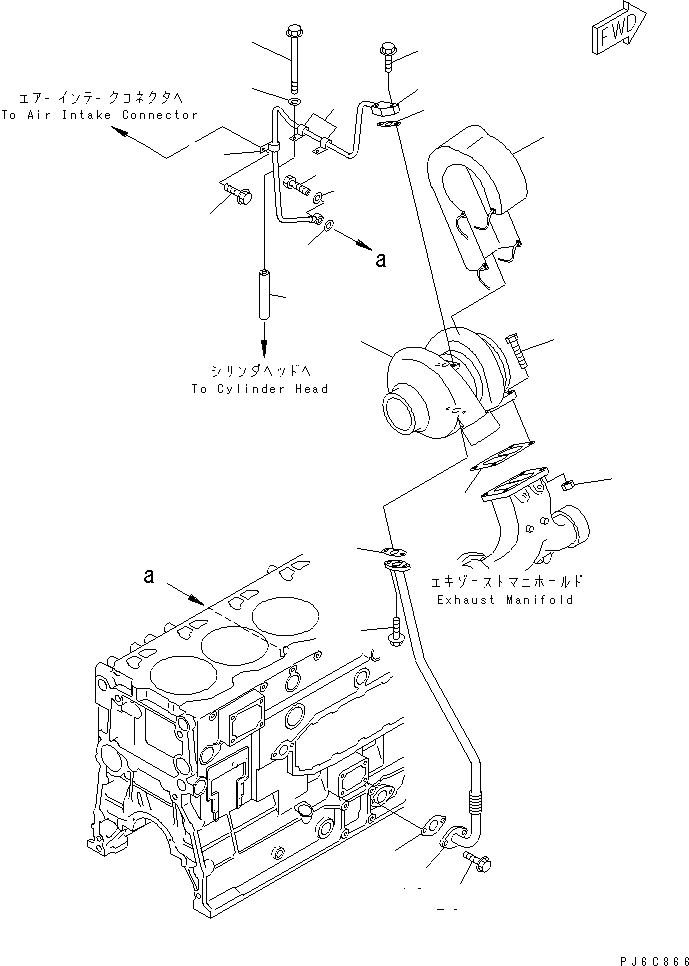
| 1 | 6156-81-8110 | TURBOCHARGER ASS'Y,(SEE FIG. A1530-B3J4) | |
| 2 | 6212-15-5831 | GASKET (K1) | |
| 3 | 01050-61045 | BOLT | |
| 4 | 6114-11-5590 | NUT | |
| 5 | 6156-11-5410 | COVER | |
| 6 | 6154-51-8250 | TUBE,SUPPLY | |
| 7 | 6221-51-8160 | GASKET (K1) | |
| 8 | 01435-00830 | BOLT | |
| 9 | 07206-31014 | BOLT,JOINT | |
| 10 | 07005-01412 | GASKET (K1) | |
| 11 | 6151-51-5490 | SPACER | |
| 12 | 01436-01090 | BOLT | |
| 13 | 01640-21016 | WASHER | |
| 14 | 6151-53-8280 | CLIP | |
| 15 | 01435-01020 | BOLT | |
| 16 | 6154-51-8570 | TUBE,RETURN | |
| 17 | 6151-51-8721 | GASKET (K1) | |
| 18 | 01435-00820 | BOLT | |
| 19 | 6154-51-8310 | GASKET (K1) | |
| 20 | 01435-01025 | BOLT |