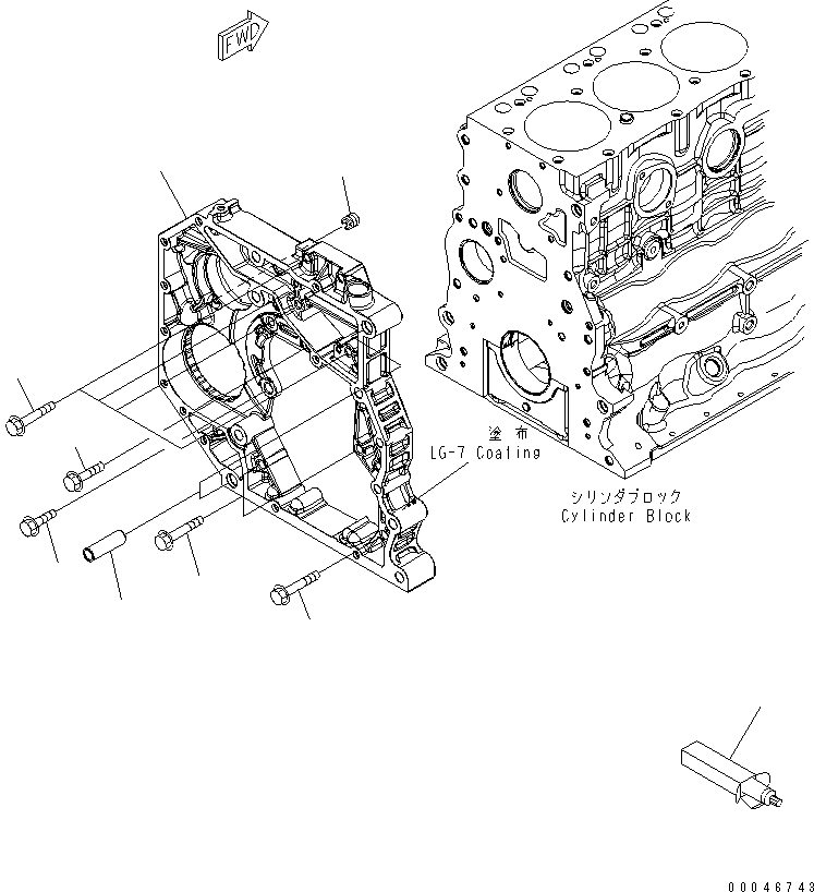
Запчасти задн. кожух шестерен. передачи двигатели saa6d107e-1c-w1 s/n 26500006-up Komatsu



|$1 6754-21-3103 HOUSING ASS'Y,REAR GEAR
|$2 6754-21-3102 HOUSING ASS'Y,REAR GEAR
|$3 6754-21-3100 HOUSING ASS'Y,REAR GEAR
1 HOUSING,REAR GEAR
1 HOUSING,REAR GEAR
1 HOUSING,REAR GEAR
2 6754-21-3120 PIN
3 6754-21-3150 INSERT
3 6754-21-3130 INSERT
4 6735-61-2120 BOLT
5 01435-61030 BOLT
5 6735-61-3810 BOLT
6 6732-11-1720 BOLT
7 6754-21-3140 BOLT
8 09920-00150 LIQUID GASKET,LG-7, 150G
1
2
3
4
5
6
7
7
8
X
Рассчитать