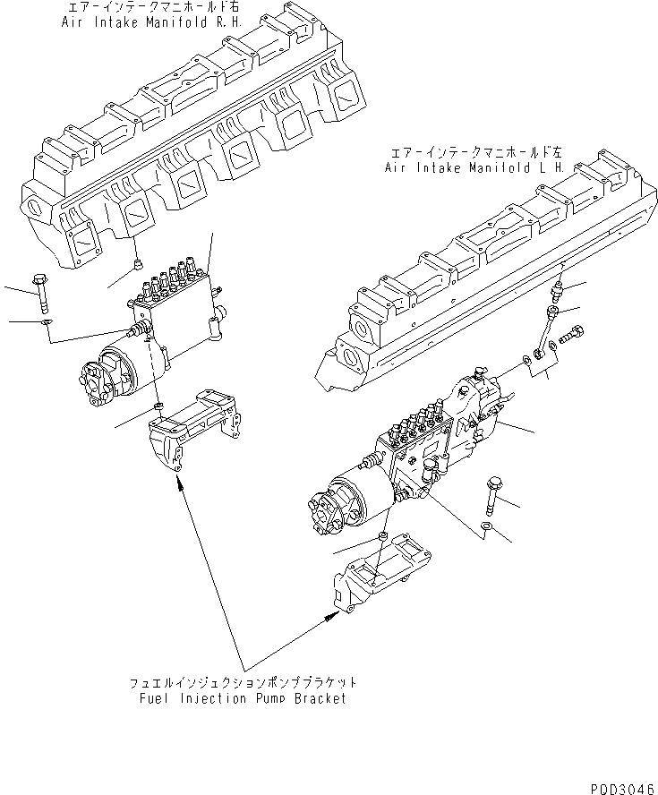
Запчасти крепление топл. насоса (для механич. регулир.)(№7-) самосвалы hd785-5 s/n 4001-up Komatsu



1 6215-71-2110 INJECTION PUMP A.,L.H. (SEE FIG.A4010-B7D2)
2 6215-71-2120 INJECTION PUMP A.,R.H. (SEE FIG.A4010-J7D2)
3 01437-01090 BOLT
4 6210-41-2431 PIN,DOWEL
|4 6210-41-2430 PIN,DOWEL
5 01643-51032 WASHER
6 6215-71-1710 TUBE
7 07214-50710 CONNECTOR
8 07043-70108 PLUG
9 07005-01012 GASKET
1
2
3
3
4
4
5
5
6
7
8
9
X
Рассчитать