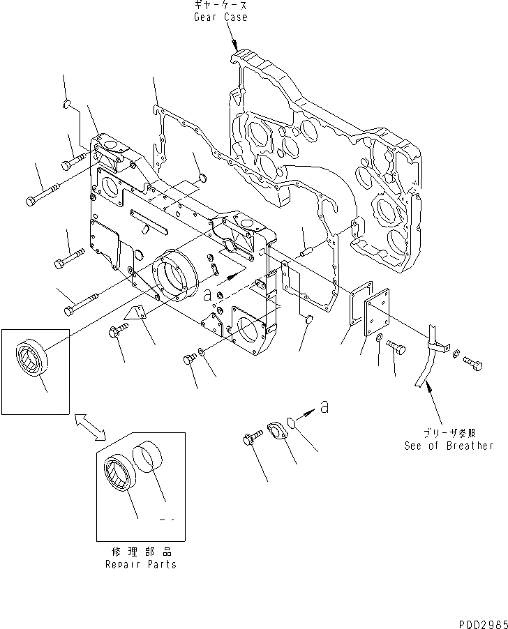
| |$1 | 6215-21-3032 | FRONT COVER ASS'Y | |
| 1 | COVER | ||
| 2 | 07046-11816 | PLUG | |
| 3 | 07040-11007 | PLUG | |
| 4 | 07005-01012 | SEAL, WASHER | |
| 5 | 6215-21-3811 | GASKET (K2) | |
| 6 | 07046-42816 | PLUG | |
| 7 | 01011-81245 | BOLT | |
| 8 | 01011-81230 | BOLT | |
| 9 | 01010-81290 | BOLT | |
| 10 | 01010-81275 | BOLT | |
| 11 | 04020-01434 | PIN,DOWEL | |
| 12 | 6215-71-3721 | COVER | |
| 13 | 6215-81-6190 | GASKET (K2) | |
| 14 | 01010-81025 | BOLT | |
| 15 | 01643-31032 | WASHER | |
| 16 | 6215-21-3350 | POINTER | |
| 17 | 01435-20610 | BOLT | |
| 18 | 6162-23-3510 | SEAL, FRONT (K2) | |
| 19 | 6144-81-5151 | COVER | |
| 20 | 07000-03050 | O-RING (K2) | |
| 21 | 01435-20612 | BOLT | |
| |$23 | 6215-29-4320 | FRONT SEAL ASS'Y,(REPAIR PARTS) | |
| 22 | SEAL, FRONT | ||
| 23 | SLEEVE |