- Главная
- Справочник
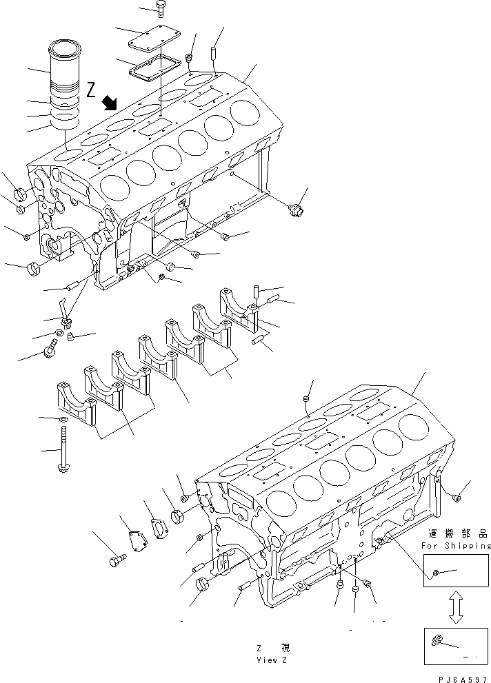
Запчасти блок цилиндров(№-88) двигатели sa12v140-1a-a s/n 10001-up Komatsu
|
|
|1 |
6215-21-1201 |
CYLINDER BLOCK ASS'Y
|
|
|
|1 |
6215-21-1100 |
CYLINDER BLOCK ASS'Y
|
|
|
1 |
|
BLOCK,CYLINDER
|
|
|
|1 |
|
BLOCK,CYLINDER
|
|
|
2 |
6215-29-1211 |
CAP,MAIN METAL¤ NO.1¤2¤3¤5¤6
|
|
|
|2 |
6215-29-1210 |
CAP,MAIN METAL¤ NO.1¤2¤3¤5¤6
|
|
|
3 |
6215-29-1231 |
CAP,MAIN METAL¤ NO.4
|
|
|
|3 |
6215-29-1230 |
CAP,MAIN METAL¤ NO.4
|
|
|
4 |
6215-29-1251 |
CAP,MAIN METAL¤ NO.7
|
|
|
|4 |
6215-29-1250 |
CAP,MAIN METAL¤ NO.7
|
|
|
5 |
04020-00820 |
PIN,DOWEL
|
|
|
6 |
6215-21-1710 |
BOLT,MAIN CAP
|
|
|
7 |
01643-32460 |
WASHER
|
|
|
8 |
6210-21-1490 |
BUSHING,CAMSHAFT
|
|
|
9 |
6210-81-9210 |
PLUG,EXPANSION
|
|
|
10 |
07046-44016 |
PLUG,EXPANSION
|
|
|
11 |
04020-00820 |
PIN,DOWEL
|
|
|
12 |
04020-01434 |
PIN,DOWEL
|
|
|
13 |
6127-21-1160 |
PIN,DOWEL
|
|
|
14 |
6210-81-9210 |
PLUG,EXPANSION
|
|
|
15 |
07043-70108 |
PLUG
|
|
|
16 |
07043-70617 |
PLUG
|
|
|
17 |
07046-42010 |
PLUG,EXPANSION
|
|
|
18 |
07046-42516 |
PLUG,EXPANSION
|
|
|
19 |
07043-70211 |
PLUG
|
|
|
20 |
6210-21-1390 |
PIN,METAL THRUST
|
|
|
21 |
6215-21-5490 |
BUSHING
|
|
|
22 |
6215-21-9210 |
PLUG,EXPANSION
|
|
|
23 |
6215-21-1610 |
COVER
|
|
|
24 |
6215-21-1681 |
GASKET (K2)
|
|
|
|24 |
6215-21-1680 |
GASKET (K2)
|
|
|
25 |
01010-81225 |
BOLT
|
|
|
26 |
6215-21-6460 |
COVER
|
|
|
27 |
6215-21-6480 |
GASKET (K2)
|
|
|
28 |
01010-81225 |
BOLT
|
|
|
|29 |
6211-21-1900 |
NOZZLE ASS'Y
|
|
|
|29 |
6211-21-1800 |
NOZZLE ASS'Y
|
|
|
29 |
6211-21-1910 |
NOZZLE,PISTON COOLING
|
|
|
|29 |
6211-21-1820 |
NOZZLE,PISTON COOLING
|
|
|
30 |
02720-40104 |
PLUG
|
|
|
31 |
01437-01025 |
BOLT
|
|
|
|31 |
01437-01020 |
BOLT
|
|
|
32 |
01641-21016 |
WASHER
|
|
|
33 |
6211-21-2240 |
LINER,CYLINDER
|
|
|
|33 |
6211-21-2220 |
LINER,CYLINDER
|
|
|
34 |
6210-21-2270 |
SEAL,CREVICE (K2)
|
|
|
|34 |
6210-21-2250 |
SEAL,CREVICE (K2)
|
|
|
35 |
6210-21-2240 |
O-RING,CENTER (K2)
|
|
|
36 |
6210-21-2230 |
O-RING,LOWER (K2)
|
|
|
37 |
08073-10505 |
SWITCH,OIL PRESSURE
|
1
1
2
2
3
4
5
6
7
8
8
8
8
9
10
11
12
13
14
14
15
15
15
15
15
16
17
17
18
19
20
20
20
21
22
23
24
25
26
27
28
29
30
31
32
33
34
35
36
37