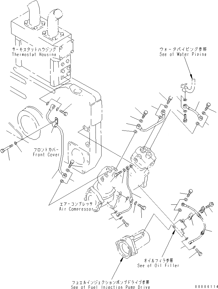
Запчасти линия компрессора (/)(№-) двигатели sa12v140-1s-ta s/n 10001-up Komatsu



1 6215-81-5330 TUBE,WATER
2 6215-81-5311 TUBE,WATER
3 6215-81-5320 TUBE,WATER
4 07206-31014 BOLT,JOINT
5 07005-01412 GASKET (K8)
6 6215-81-5410 CLIP
7 6215-81-5221 TUBE
8 6215-81-5212 TUBE
9 6150-51-9470 BOLT,JOINT
10 07206-30710 BOLT,JOINT
11 07005-01012 GASKET (K8)
12 01011-81250 BOLT
13 01643-31232 WASHER
14 6162-75-5820 CLAMP
15 01435-00635 BOLT
1
2
3
4
4
4
4
4
4
5
5
5
5
5
5
5
6
7
8
9
10
10
10
10
11
11
11
11
11
11
11
12
13
14
14
15
X
Рассчитать