zakaz@zapkomat.su
8 800 777-45-32
Расчитать заявку
Каталог
Типы
Гидравлика
Крепеж
Прокладки
Соединения
Кожухи
Электрика
Справочник
Запрос сотрудничества
Сервисным организациям
Контакты
Главная
Справочник
Запчасти термозащита(№7777-) бульдозеры гусеничные d39ex-21 s/n 1001-1499 Komatsu
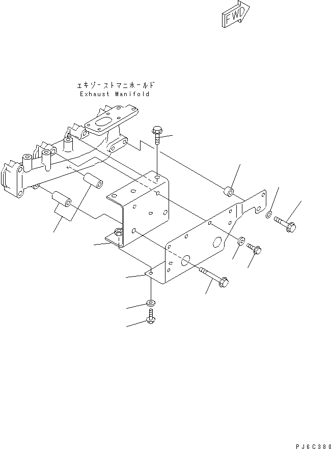
1
6732-81-8870
BRACKET
2
01435-01020
BOLT
3
6152-51-5520
SPACER
4
01435-01070
BOLT
5
6737-81-8791
COVER
6
6201-81-6560
SPACER
7
01435-00820
BOLT
8
6206-11-4590
SPACER
9
01435-01035
BOLT
10
01643-31032
WASHER
1
2
3
4
5
6
6
7
7
8
9
10
X
Рассчитать
Ваше имя:
Телефон *:
E-mail:
Сообщение: Пришлите наличие и стоимость
Оформить заказ