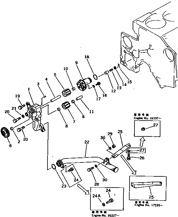
| |1 | 6211-51-1000 | OIL PUMP ASS'Y | |
| |1 | 6211-51-1200 | BODY ASS'Y | |
| 1 | BODY | ||
| 2 | 6136-52-1330 | BUSHING | |
| 3 | 6136-52-1620 | PIN | |
| |4 | 6211-51-1300 | DRIVE SHAFT ASS'Y | |
| 4 | 6210-51-1310 | SHAFT | |
| 5 | GEAR,DRIVE | ||
| 6 | 6210-51-1510 | GEAR,PUMP DRIVE | |
| |7 | 6211-51-1250 | DRIVEN GEAR ASS'Y | |
| 7 | GEAR | ||
| 8 | 6136-52-1330 | BUSHING | |
| |9 | 6211-51-1100 | COVER ASS'Y | |
| 9 | COVER | ||
| 10 | 6136-52-1330 | BUSHING | |
| 11 | 6210-51-1320 | SHAFT,DRIVEN | |
| 12 | 6136-52-1640 | VALVE | |
| 13 | 6136-52-1650 | SPRING | |
| 14 | 6150-51-1650 | RETAINER | |
| 15 | 04050-14035 | PIN,COTTER | |
| 16 | 01010-30825 | BOLT | |
| 17 | 01602-00825 | WASHER,SPRING | |
| 18 | 07000-63038 | O-RING (K2) | |
| 19 | 01010-31230 | BOLT | |
| 20 | 01010-31240 | BOLT | |
| 21 | 01643-31232 | WASHER | |
| 22 | 6210-51-6311 | PIPE | |
| 23 | 07000-63040 | O-RING (K2) | |
| 24 | 01010-31025 | BOLT | |
| 24A | 01643-31032 | WASHER | |
| 25 | 6210-51-6322 | BRACKET | |
| |25 | 6210-51-6321 | BRACKET | |
| 26 | 01010-31030 | BOLT | |
| |26 | 01010-31025 | BOLT | |
| 27 | 6131-12-5920 | SPACER | |
| |27 | 01643-31032 | WASHER | |
| 28 | 01010-31025 | BOLT | |
| |28 | 01010-31020 | BOLT | |
| 29 | 01580-01008 | NUT | |
| 30 | 01643-31032 | WASHER | |
| |30 | 01640-21016 | WASHER |