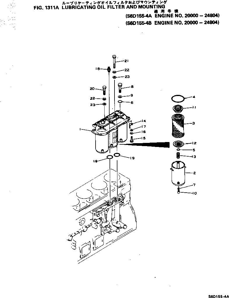
| |$0 | 6127-51-5401 | OIL FILTER ASS'Y | |
| |$1 | 6127-51-5400 | OIL FILTER ASS'Y | |
| 1 | 6127-51-5411 | COVER | |
| 1 | 6127-51-5410 | COVER | |
| 2 | 600-211-1111 | CASE | |
| 2 | 600-211-1110 | CASE | |
| |$6 | 6127-51-5040 | ELEMENT ASS'Y | |
| 3 | ELEMENT | ||
| 4 | 6162-52-5170 | GASKET | |
| 5 | 07000-03022 | O-RING | |
| 6 | 600-211-1420 | O-RING | |
| 7 | 07005-01412 | GASKET | |
| 8 | 600-211-1510 | BOLT | |
| 9 | 600-211-1540 | WASHER | |
| 10 | 6110-53-5910 | PLUG | |
| 11 | 600-211-1621 | RETAINER | |
| 11 | 600-211-1620 | RETAINER | |
| 12 | 600-211-1650 | RETAINER | |
| 13 | 600-211-1640 | SPRING | |
| 14 | 600-211-1610 | HANGER | |
| 15 | 01010-30820 | BOLT | |
| 16 | 01602-00825 | WASHER | |
| 17 | 01640-20816 | WASHER | |
| 18 | 07213-50510 | CONNECTOR | |
| 19 | 07000-65055 | O-RING (K2) | |
| 20 | 01010-31240 | BOLT | |
| 21 | 01010-31285 | BOLT | |
| 22 | 01602-01236 | WASHER | |
| 23 | 01640-21223 | WASHER | |
| 24 | 09645-00120 | PLATE, INSTRUCTION | |
| 25 | 6127-81-5230 | PLATE, INSTRUCTION |