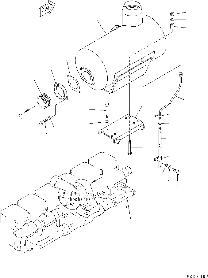
Запчасти крепление глушителя(№7-) двигатели s6d170-1d-a s/n 14674-up Komatsu



1 6162-13-5682 MUFFLER,(WITH GLASSWOOL)
|1 6162-13-5681 MUFFLER,(WITH GLASSWOOL)
2 6142-22-4640 SPACER
3 01643-31232 WASHER
4 01580-01210 NUT
5 01010-E1280 BOLT
|5 01010-61275 BOLT
6 6162-13-5390 BRACKET
7 01010-E1270 BOLT
8 01643-51232 WASHER
9 6162-14-5570 FLANGE
10 6162-14-5540 GASKET (K1)
11 01010-E1030 BOLT
12 01602-01030 WASHER,SPRING
13 6162-13-5432 JOINT
14 6162-13-5690 TUBE,DRAIN
15 6162-13-5960 CLAMP
16 07261-00915 HOSE,DRAIN
17 07281-00197 CLAMP
18 6162-13-5750 CLAMP
19 01010-31835 BOLT
20 01602-01854 WASHER,SPRING
21 01640-01826 WASHER
1
2
3
4
5
6
7
8
9
10
11
12
13
14
15
16
17
18
19
20
21
X
Рассчитать