zakaz@zapkomat.su
8 800 777-45-32
Расчитать заявку
Каталог
Типы
Гидравлика
Крепеж
Прокладки
Соединения
Кожухи
Электрика
Справочник
Запрос сотрудничества
Сервисным организациям
Контакты
Главная
Справочник
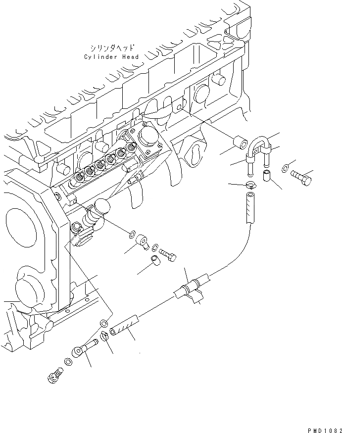
Запчасти топливн. впускн. труба и выпускн. блок(№7-) двигатели sa6d102e-1b-7c s/n 26200163-up Komatsu
1
6732-71-5740
CAP
2
6144-71-5750
JOINT
3
6141-71-1710
JOINT
4
07260-20940
HOSE
5
113-06-23220
COVER
6
08034-00414
BAND
7
07281-00197
CLAMP
8
6735-71-5710
TUBE
9
6735-71-5720
CLIP
10
6150-81-6950
SPACER
11
01050-51240
BOLT
12
01643-31232
WASHER
1
1
2
3
4
5
6
7
7
8
9
9
10
11
12
X
Рассчитать
Ваше имя:
Телефон *:
E-mail:
Сообщение: Пришлите наличие и стоимость
Оформить заказ