zakaz@zapkomat.su
8 800 777-45-32
Расчитать заявку
Каталог
Типы
Гидравлика
Крепеж
Прокладки
Соединения
Кожухи
Электрика
Справочник
Запрос сотрудничества
Сервисным организациям
Контакты
Главная
Справочник
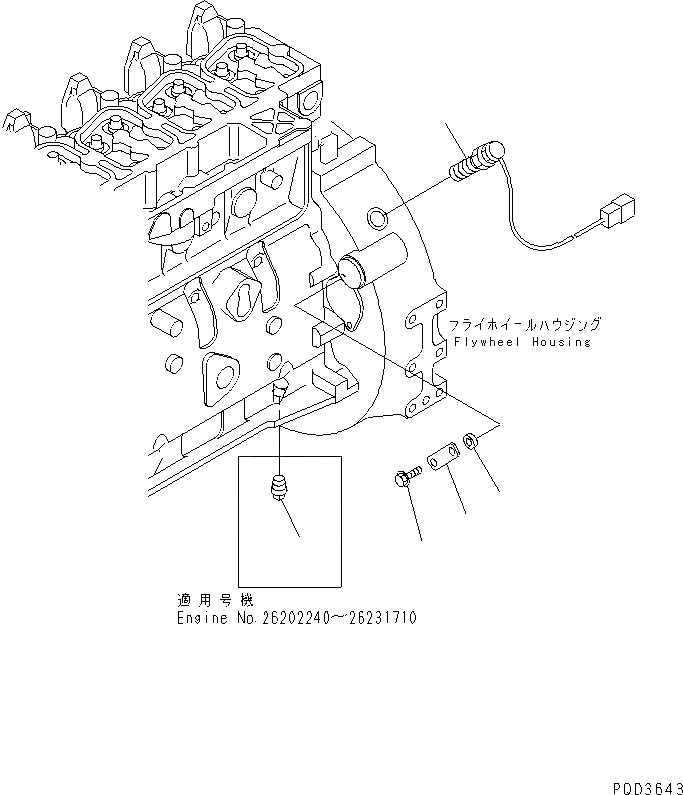
Запчасти датчик вращения двигатели s6d102e-1c-us s/n 26202240-up Komatsu
1
02721-00813
PLUG
2
01435-20825
BOLT
3
6301-11-4630
PLATE
4
6110-23-6490
SPACER
5
7861-92-2310
SENSOR,REVOLUTION
1
2
3
4
5
X
Рассчитать
Ваше имя:
Телефон *:
E-mail:
Сообщение: Пришлите наличие и стоимость
Оформить заказ