- Главная
- Справочник
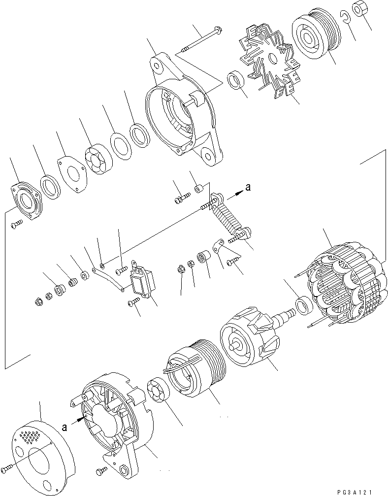
Запчасти генератор (a) (внутр. части)(№99-97) двигатели s6d102e-1j s/n 26200929-up Komatsu
|
|
|1 |
600-861-5110 |
ALTERNATOR A. (50A)
|
|
|
1 |
KD0-35100-0300 |
ROTOR ASS'Y
|
|
|
2 |
KD0-35923-0160 |
COLLAR
|
|
|
3 |
KD1-33923-0790 |
COLLAR
|
|
|
4 |
KD0-09201-0980 |
BEARING,BALL
|
|
|
5 |
KD0-35300-0190 |
BRACKET ASS'Y,FRONT
|
|
|
6 |
KD0-35926-0070 |
RETAINER
|
|
|
7 |
KD0-35926-0060 |
RETAINER
|
|
|
8 |
KD0-35926-0090 |
RETAINER
|
|
|
9 |
KD0-09201-0880 |
BEARING,BALL
|
|
|
10 |
KD1-33926-0730 |
RETAINER
|
|
|
11 |
KD0-35120-0210 |
FIELD COIL ASS'Y
|
|
|
12 |
KD0-35200-0430 |
STATOR ASS'Y
|
|
|
13 |
KD0-0275-06802 |
BOLT
|
|
|
|14 |
KD0-35700-0750 |
BRACKET ASS'Y,REAR
|
|
|
14 |
KD0-35710-0870 |
BRACKET,REAR
|
|
|
15 |
KD0-35730-0510 |
RECTIFIER ASS'Y
|
|
|
16 |
KD0-35719-0200 |
REGULATOR ASS'Y
|
|
|
17 |
KD1-0331-06013 |
WASHER
|
|
|
18 |
KD0-09120-0770 |
PLATE,TERMINAL
|
|
|
19 |
KD0-35784-0240 |
BAR,CONNECT
|
|
|
20 |
KD0-35923-0130 |
COLLAR
|
|
|
21 |
KD0-35943-0140 |
BUSH,INSULATE
|
|
|
22 |
KD0-35943-0150 |
BUSH,INSULATE
|
|
|
23 |
KD0-35943-0160 |
BUSH,INSULATE
|
|
|
24 |
KD0-35943-0170 |
BUSH,INSULATE
|
|
|
25 |
KD0-09011-3270 |
SCREW
|
|
|
26 |
KD0-0055-05202 |
SCREW
|
|
|
27 |
KD0-0056-05302 |
SCREW
|
|
|
28 |
KD0-33902-0090 |
NUT
|
|
|
29 |
KD0-33902-0080 |
NUT
|
|
|
30 |
KD0-35411-0640 |
PULLEY
|
|
|
31 |
KD0-35421-0170 |
FAN
|
|
|
32 |
KD1-0335-16002 |
WASHER,SPRING
|
|
|
33 |
KD0-0280-16022 |
NUT
|
|
|
34 |
KD0-35761-0220 |
COVER
|
1
2
3
4
5
6
7
7
8
9
10
11
12
13
14
15
16
17
18
19
20
21
22
23
24
25
26
26
27
28
29
30
31
32
33
34