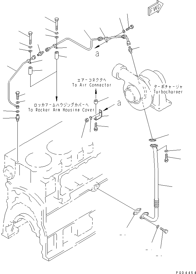
Запчасти линия смазки турбонагнетателя(№7-) двигатели s6d170-1g-6w s/n 10001-up Komatsu



1 6162-53-8411 TUBE
2 01010-80816 BOLT
2 01010-30816 BOLT
3 01580-00806 NUT
4 01641-00812 WASHER
5 01602-00825 WASHER,SPRING
6 6150-21-5720 BRACKET
7 01010-81035 BOLT
7 01010-31035 BOLT
8 6162-53-8170 NIPPLE
9 6131-12-5920 SPACER
10 6210-51-8320 CLIP
11 6162-53-8150 TUBE
12 6162-53-8160 NIPPLE
13 07206-30812 BOLT,JOINT
14 07005-01212 SEAL (K1)
15 6112-23-6971 SPACER
16 6210-51-8320 CLIP
16 04434-50810 CLIP
17 01011-81020 BOLT
17 01011-31020 BOLT
18 01602-01030 WASHER
19 01642-01016 WASHER
20 07214-50813 CONNECTOR
21 6162-53-8131 PIPE,OIL
22 6151-51-8151 GASKET (K1)
22 6151-51-8150 GASKET
23 01010-81025 BOLT
23 01010-31025 BOLT
24 01602-01030 WASHER,SPRING
25 6127-51-6822 GASKET (K1,K2)
25 6127-51-6821 GASKET (K1,K2)
1
2
3
4
5
6
7
8
9
10
11
12
13
14
14
15
15
16
16
17
17
18
18
19
19
20
21
22
23
23
24
24
25
X
Рассчитать