- Главная
- Справочник
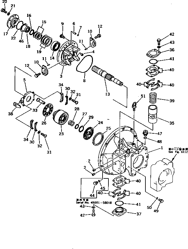
Запчасти гидр. насос. (/) (насос sub в сборе¤ передн.) экскаваторы pc200-5x s/n 45001-up Komatsu
|
|
G-1 |
20Y-60-X1261 |
PUMP GROUP
|
|
|
|1 |
708-25-04051 |
PUMP ASS'Y
|
|
|
|1 |
708-25-04014 |
PUMP ASS'Y
|
|
|
|1 |
708-25-04013 |
PUMP ASS'Y
|
|
|
|1 |
708-25-04012 |
PUMP ASS'Y
|
|
|
|1 |
708-25-04151 |
PUMP SUB ASS'Y
|
|
|
|1 |
708-25-04112 |
PUMP SUB ASS'Y
|
|
|
|1 |
708-25-04111 |
PUMP SUB ASS'Y
|
|
|
|1 |
708-25-00630 |
CASE ASS'Y,FRONT
|
|
|
|1 |
708-25-00471 |
CASE ASS'Y,FRONT
|
|
|
1 |
|
CASE,FRONT
|
|
|
|1 |
|
CASE,FRONT
|
|
|
2 |
|
PLUG
|
|
|
|3 |
708-25-00031 |
CRADLE ASS'Y,FRONT
|
|
|
|3 |
708-25-00480 |
CRADLE SUB ASS'Y,FRONT
|
|
|
3 |
|
CRADLE,FRONT
|
|
|
4 |
|
PLUG
|
|
|
5 |
708-25-13411 |
CAM,ROCKER
|
|
|
6 |
708-25-12330 |
JOINT
|
|
|
7 |
07000-22015 |
O-RING
|
|
|
|7 |
708-25-13930 |
O-RING
|
|
|
8 |
708-25-12340 |
O-RING
|
|
|
9 |
708-25-12390 |
BOLT
|
|
|
10 |
708-25-12360 |
PLATE
|
|
|
11 |
04020-00820 |
PIN,DOWEL
|
|
|
12 |
01010-30816 |
BOLT
|
|
|
13 |
708-25-12711 |
SHAFT,FRONT
|
|
|
14 |
708-25-12731 |
BEARING
|
|
|
15 |
708-25-05010 |
WASHER KIT
|
|
|
|15 |
|
WASHER¤ 2.0MM
|
|
|
|15 |
|
WASHER¤ 2.1MM
|
|
|
|15 |
|
WASHER¤ 2.2MM
|
|
|
16 |
708-25-12790 |
RING,SNAP
|
|
|
17 |
708-25-12812 |
HOUSING
|
|
|
18 |
708-25-52860 |
SEAL,OIL
|
|
|
19 |
708-25-05130 |
SHIM KIT
|
|
|
|19 |
|
SHIM¤ 0.10MM
|
|
|
|19 |
|
SHIM¤ 0.20MM
|
|
|
20 |
01010-30820 |
BOLT
|
|
|
21 |
01643-30823 |
WASHER
|
|
|
22 |
07000-02080 |
O-RING
|
|
|
|23 |
708-25-00401 |
BLOCK ASS'Y,CYLINDER
|
|
|
|23 |
708-25-00400 |
BLOCK ASS'Y,CYLINDER
|
|
|
23 |
708-25-13151 |
BLOCK,CYLINDER
|
|
|
24 |
708-25-13611 |
PLATE,VALVE
|
|
|
|24 |
708-25-13610 |
PLATE,VALVE
|
|
|
25 |
708-25-13630 |
RING
|
|
|
26 |
708-25-13422 |
RETAINER,SHOE
|
|
|
27 |
708-25-13120 |
WASHER
|
|
|
28 |
708-25-13130 |
SPRING
|
|
|
29 |
708-25-13140 |
RING,SNAP
|
|
|
30 |
708-25-13441 |
RETAINER
|
|
|
31 |
708-25-13470 |
SCREW
|
|
|
32 |
01643-30623 |
WASHER
|
|
|
33 |
708-25-13312 |
PISTON SUB ASS'Y
|
|
|
34 |
708-25-05061 |
SPACER KIT
|
|
|
|34 |
|
SPACER¤ 11.540MM
|
|
|
|34 |
|
SPACER¤ 11.560MM
|
|
|
|34 |
|
SPACER¤ 11.575MM
|
|
|
35 |
708-25-14211 |
PISTON
|
|
|
36 |
708-25-14140 |
CAP
|
|
|
37 |
708-25-14150 |
CAP
|
|
|
38 |
708-25-14121 |
SLIDER
|
|
|
39 |
708-25-14130 |
SPRING
|
|
|
40 |
708-25-05050 |
SHIM KIT
|
|
|
|40 |
|
SHIM¤ 0.1MM
|
|
|
|40 |
|
SHIM¤ 0.1MM
|
|
|
|40 |
|
SHIM¤ 0.2MM
|
|
|
|40 |
|
SHIM¤ 0.5MM
|
|
|
41 |
07000-02065 |
O-RING
|
|
|
42 |
01016-31035 |
BOLT
|
|
|
43 |
01643-31032 |
WASHER
|
|
|
44 |
720-68-19870 |
PLUG
|
|
|
45 |
07002-01223 |
O-RING
|
|
|
46 |
708-25-12970 |
RING,SNAP
|
|
|
47 |
07044-02412 |
PLUG
|
|
|
48 |
07002-02434 |
O-RING
|
|
|
49 |
07040-11209 |
PLUG
|
|
|
50 |
07002-01223 |
O-RING
|
|
|
51 |
04530-01018 |
BOLT,EYE
|