| 1 | 232-06-11960 | CAP | |
| 2 | 140-06-18260 | CAP | |
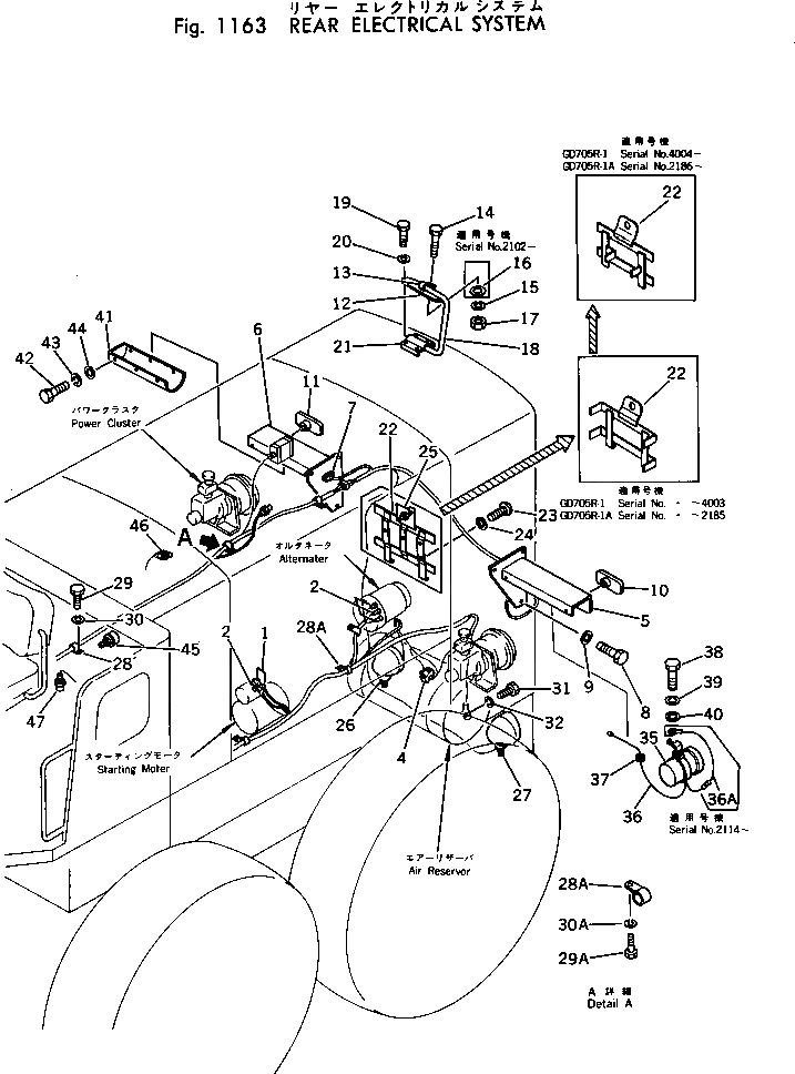
| 4 | 500-44-14160 | SWITCH,AIR | |
| 5 | 233-806-9360 | BRACKET,L.H. (FOR VEHICLE INSPECTION) (OP) | |
| 5 | 234-902-6481 | BRACKET,L.H. (EXCEPT JAPAN) | |
| 6 | 233-806-9350 | BRACKET,R.H. (FOR VEHICLE INSPECTION) (OP) | |
| 6 | 234-902-6491 | BRACKET,R.H. (EXCEPT JAPAN) | |
| 7 | 08037-01610 | GROMMET | |
| 8 | 01010-30820 | BOLT | |
| 9 | 01602-00825 | WASHER | |
| 10 | 237-06-13350 | COMBINATION LAMP A.,REAR COMBINATION, L.H. | |
| 10 | 237-06-13360 | LENS | |
| 10 | 08105-12420 | BULB, 25W | |
| 10 | 08104-12420 | BULB, 25/10W | |
| 10 | 08102-02403 | BULB, 3W | |
| 11 | 237-06-13340 | COMBINATION LAMP A.,REAR COMBINATION, R.H. | |
| 11 | 237-06-13360 | LENS | |
| 11 | 08105-12420 | BULB, 25W | |
| 11 | 08104-12420 | BULB, 25/10W | |
| 11 | 08102-02403 | BULB, 3W | |
| 12 | 08174-10001 | MIRROR,(EXCEPT JAPAN) (OP) | |
| 13 | 232-06-15151 | PIVOT,(EXCEPT JAPAN) (OP) | |
| 14 | 01010-30825 | BOLT,(EXCEPT JAPAN) (OP) | |
| 15 | 01602-00825 | WASHER,(EXCEPT JAPAN) (OP) | |
| 16 | 01643-30823 | WASHER,(EXCEPT JAPAN) (OP) | |
| 17 | 01580-00806 | NUT,(EXCEPT JAPAN) (OP) | |
| 18 | 234-06-15230 | TUBE,(EXCEPT JAPAN) (OP) | |
| 19 | 01010-31045 | BOLT,(EXCEPT JAPAN) (OP) | |
| 20 | 01602-01030 | WASHER,(EXCEPT JAPAN) (OP) | |
| 21 | 232-06-15131 | BRACKET,(EXCEPT JAPAN) (OP) | |
| 22 | 232-06-15240 | BRACKET,(EXCEPT JAPAN) (OP) | |
| 22 | 232-06-15216 | BRACKET,(EXCEPT JAPAN) (OP) | |
| 22 | 232-06-15215 | BRACKET,(EXCEPT JAPAN) (OP) | |
| 22 | 234-06-15241 | BRACKET,(EXCEPT JAPAN) (OP) | |
| 23 | 01220-40612 | SCREW,(EXCEPT JAPAN) (OP) | |
| 24 | 01602-00619 | WASHER,(EXCEPT JAPAN) (OP) | |
| 25 | 08137-12400 | LAMP,NUMBER (EXCEPT JAPAN) (OP) | |
| 25 | 08110-02410 | BULB, 10W,(EXCEPT JAPAN) (OP) | |
| 26 | 08138-02400 | LAMP ASS'Y,BLACK (EXCEPT JAPAN) (OP) | |
| 26 | 08138-00006 | LENS,(EXCEPT JAPAN) (OP) | |
| 26 | 08105-02420 | BULB, 25W | |
| 27 | 232-06-13310 | LAMP ASS'Y,WORKING (EXCEPT JAPAN) (OP) | |
| 27 | 232-06-13320 | BULB, 40W,(EXCEPT JAPAN) (OP) | |
| 27 | 08127-00060 | LENS,(EXCEPT JAPAN) (OP) | |
| 28 | 08036-11214 | CLIP | |
| 28A | 08036-11214 | CLIP | |
| 29 | 01010-31016 | BOLT | |
| 29A | 01010-31016 | BOLT | |
| 30 | 01602-01030 | WASHER | |
| 30A | 01602-01030 | WASHER | |
| 31 | 01010-30610 | BOLT | |
| 32 | 01602-00619 | WASHER | |
| 33 | 08034-00834 | BAND,(NOT SHOWN) | |
| 34 | 08034-00519 | BAND,(NOT SHOWN) | |
| 35 | 08165-22400 | BUZZER,BACK (OP) | |
| 35 | 08165-02400 | BUZZER,BACK (OP) | |
| 36 | 234-806-6511 | CABLE | |
| 36 | 232-806-6530 | CABLE (OP) | |
| 36A | 234-06-21610 | CABLE (OP) | |
| 37 | 08037-01008 | GROMMET (OP) | |
| 38 | 01010-30616 | BOLT (OP) | |
| 39 | 01602-00619 | WASHER (OP) | |
| 40 | 01642-00608 | WASHER (OP) | |
| 41 | 233-806-9380 | COVER,L.H. (OP) | |
| 41 | 233-806-9370 | COVER,R.H. (OP) | |
| 42 | 01010-30616 | BOLT (OP) | |
| 43 | 01602-00619 | WASHER (OP) | |
| 44 | 01642-00608 | WASHER (OP) | |
| 45 | 237-06-15160 | SENSOR,OIL PRESSURE, ENGINE | |
| 46 | 232-06-52410 | SENSOR,WATER TEMPERATURE | |
| 47 | 237-06-15120 | SENSOR,OIL TEMPERATURE |