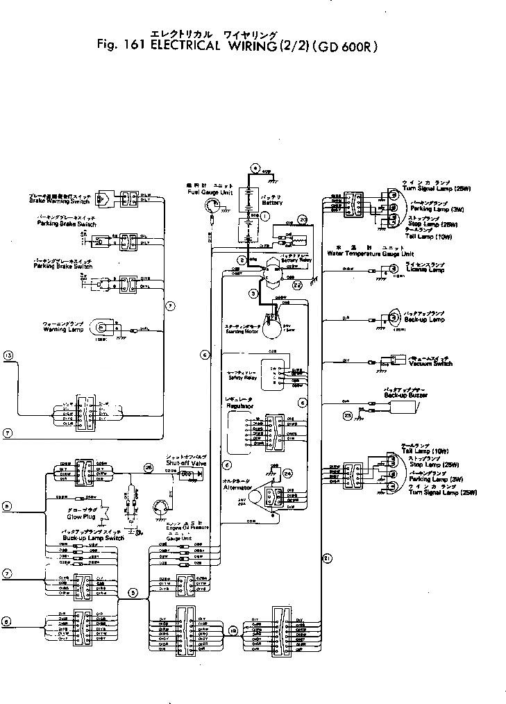
| 1 | 237-06-11130 | CABLE | |
| 2 | 232-06-11121 | CABLE | |
| 3 | 232-06-51110 | CABLE | |
| 4 | 237-06-11140 | CABLE | |
| 5 | 232-06-51130 | HARNESS | |
| 6 | 232-06-51120 | HARNESS | |
| 7 | 232-06-51141 | HARNESS,FRONT | |
| 7 | 232-06-51140 | HARNESS,FRONT | |
| 7 | 232-06-51350 | HARNESS,REAR | |
| 8 | 232-06-51150 | HARNESS,FRONT | |
| 8 | 232-06-51360 | CABLE,REAR | |
| 9 | 232-06-51160 | CABLE | |
| 10 | 232-06-51170 | HARNESS | |
| 11 | 232-06-51180 | HARNESS | |
| 12 | 232-06-51190 | CABLE | |
| 13 | 232-06-51220 | CABLE | |
| 14 | 232-06-51230 | HARNESS | |
| 15 | 232-06-51240 | HARNESS | |
| 16 | 232-06-51250 | HARNESS | |
| 17 | 232-06-51320 | CABLE | |
| 18 | 232-06-51260 | CABLE | |
| 19 | 232-06-51270 | CABLE | |
| 20 | 232-06-51280 | CABLE | |
| 21 | 232-06-51290 | CABLE | |
| 22 | 237-06-11510 | WIRE | |
| 23 | 232-06-51310 | WIRE | |
| 24 | 232-06-51330 | WIRE | |
| 25 | 234-06-11531 | CABLE | |
| 26 | 232-06-51211 | WIRE HARNESS | |
| 26 | 232-06-51210 | HARNESS |