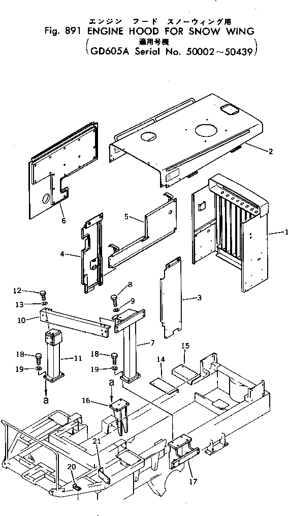
| 1 | 232-972-1470 | GRILLE,(MODIFIED PARTS) | |
| 2 | 232-972-1440 | BONNET,(MODIFIED PARTS) | |
| 3 | 232-972-1460 | COVER,(MODIFIED PARTS) | |
| 4 | 232-972-1450 | COVER | |
| 5 | 232-972-1480 | PLATE | |
| 6 | 232-972-1510 | PANEL | |
| 7 | 232-972-1110 | BRACKET | |
| 8 | 01010-51645 | BOLT | |
| 9 | 01602-21648 | WASHER | |
| 10 | 232-972-1120 | BRACKET | |
| 11 | 232-972-1130 | BRACKET | |
| 12 | 01010-51635 | BOLT | |
| 13 | 01602-21648 | WASHER | |
| 14 | 232-972-1770 | PLATE (WELDED) | |
| 15 | 232-972-1760 | PLATE (WEDLED) | |
| 16 | 232-972-1140 | BRACKET (WELDED) | |
| 17 | 232-972-1150 | BRACKET (WELDED) | |
| 18 | 01010-51645 | BOLT | |
| 19 | 01602-21648 | WASHER | |
| 20 | 232-972-1380 | PLATE | |
| 21 | 232-972-1390 | PLATE |