| |$0 | 232-735-0010 | BLADE ASS'Y,POWER TILT | |
| |$1 | 232-735-0030 | BLADE ASS'Y,POWER TILT | |
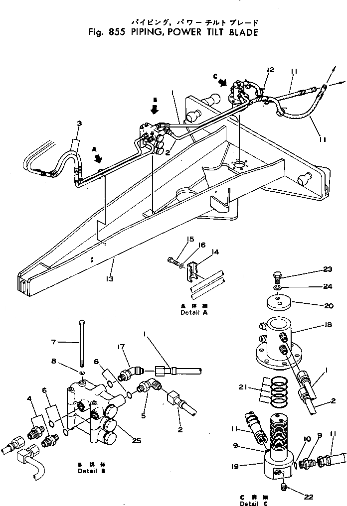
| 1 | 232-735-2110 | TUBE | |
| 2 | 232-735-2120 | TUBE | |
| 3 | 07123-20414 | HOSE | |
| 4 | 07230-10422 | UNION | |
| 5 | 07235-10422 | ELBOW | |
| 6 | 07002-12034 | O-RING | |
| 7 | 232-725-2150 | BOLT | |
| 8 | 01602-20825 | WASHER | |
| 9 | 07230-10422 | UNION | |
| 10 | 07002-12034 | O-RING | |
| 11 | 07123-20410 | HOSE | |
| 12 | 08034-00536 | BAND | |
| 13 | 232-735-2130 | DRAWBAR | |
| 14 | 237-60-14130 | CLIP | |
| 15 | 01010-51035 | BOLT | |
| 16 | 01602-21030 | WASHER | |
| 17 | 07236-10422 | ELBOW | |
| |$19 | 232-735-0071 | JOINT ASS'Y | |
| |$20 | 232-735-0070 | JOINT ASS'Y | |
| 18 | 232-735-3110 | BODY | |
| 19 | 232-735-3120 | FLANGE | |
| 20 | 232-60-54730 | PLATE | |
| 21 | 07000-13050 | O-RING | |
| 22 | 07043-00211 | PLUG | |
| 23 | 01010-51225 | BOLT | |
| 24 | 01602-21236 | WASHER | |
| 25 | 232-60-00341 | VALVE ASS'Y,(SEE FIG.622) |