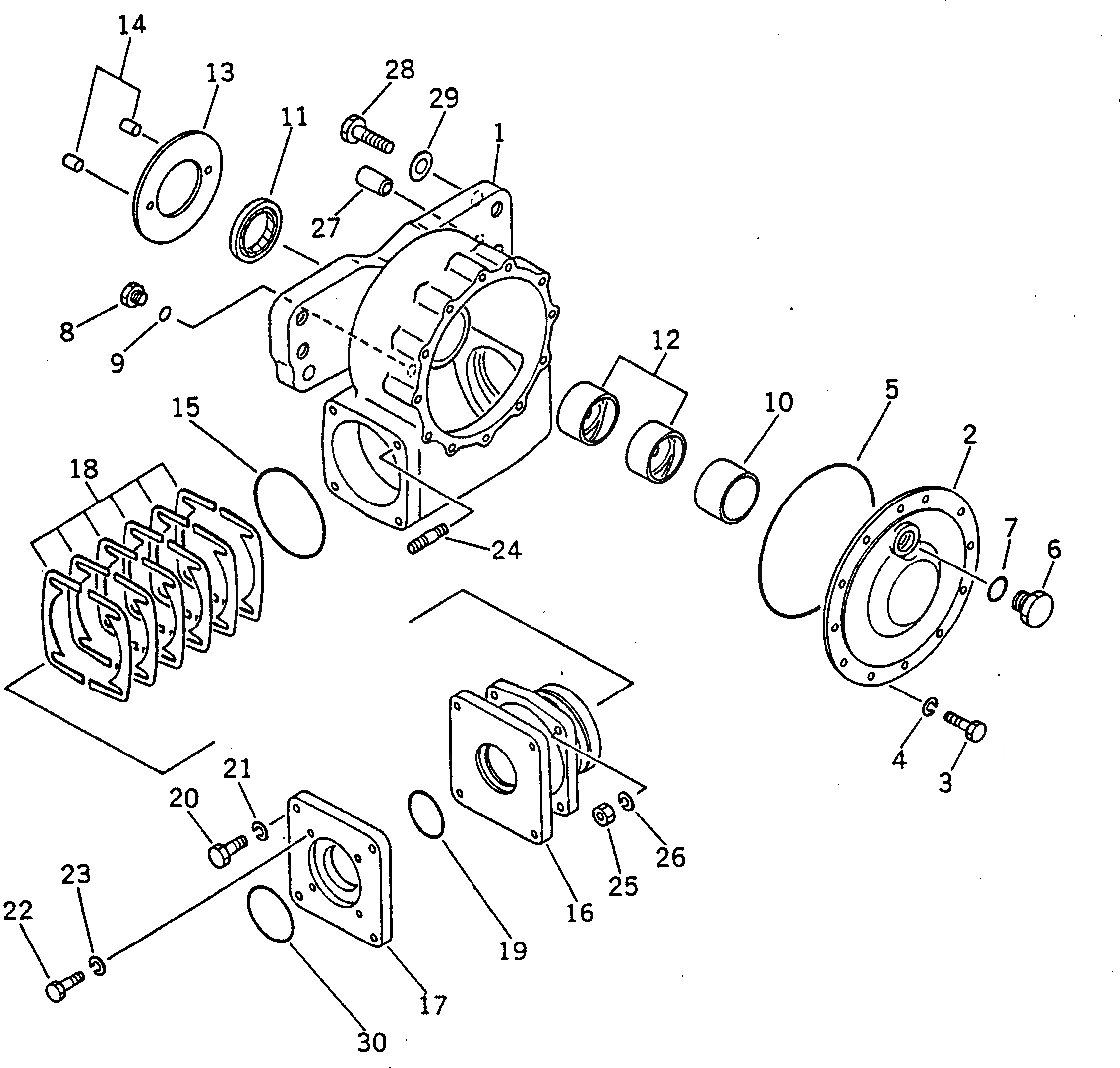
| |$0 | 232-70-00510 | GEAR ASS'Y | |
| 1 | 232-70-54410 | CASE | |
| 2 | 232-70-54460 | COVER | |
| 3 | 01010-51030 | BOLT | |
| 4 | 01602-21030 | WASHER | |
| 5 | 07000-15220 | O-RING (KIT) | |
| 6 | 07040-13016 | PLUG | |
| 7 | 07002-13034 | O-RING (KIT) | |
| 8 | 07040-11812 | PLUG | |
| 9 | 07002-11823 | O-RING (KIT) | |
| 10 | 232-70-54440 | BUSHING | |
| 11 | 07012-00062 | SEAL | |
| 12 | 234-71-13190 | BUSHING | |
| 13 | 232-70-54310 | PLATE | |
| 14 | 04020-01024 | PIN | |
| 15 | 07000-12130 | O-RING (KIT) | |
| 16 | 238-70-16151 | HOUSING | |
| 17 | 232-70-54520 | PLATE | |
| 18 | 233-70-00260 | SHIM ASS'Y | |
| 18 | SHIM, 0.1MM | ||
| 18 | SHIM, 0.2MM | ||
| 18 | SHIM, 1.0MM | ||
| 19 | 07000-12075 | O-RING (KIT) | |
| 20 | 01010-51240 | BOLT | |
| 21 | 01602-21236 | WASHER | |
| 22 | 01010-51240 | BOLT | |
| 23 | 01602-21236 | WASHER | |
| 24 | 01140-81240 | STUD | |
| 25 | 01582-11210 | NUT | |
| 26 | 01602-21236 | WASHER | |
| 27 | 232-71-13150 | PIN | |
| 28 | 01010-52455 | BOLT | |
| 29 | 01643-32460 | WASHER | |
| 30 | 07000-12085 | O-RING (KIT) |