- Главная
- Справочник
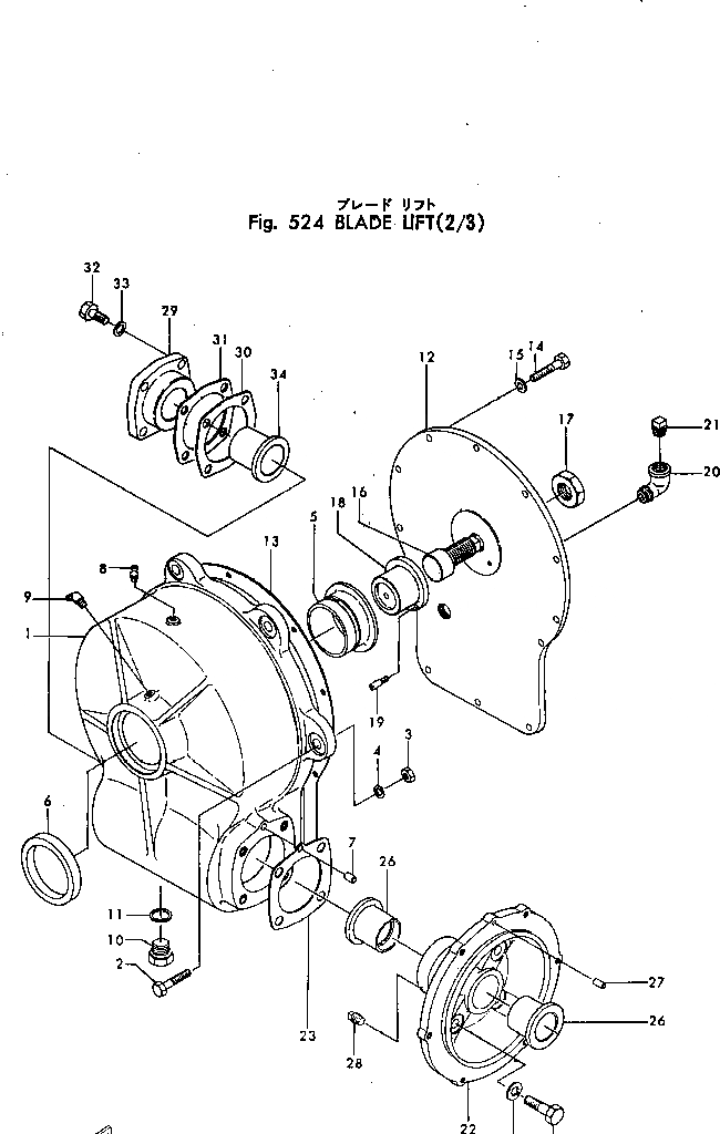
Запчасти подъем. отвала (/) грейдеры gd30-5m s/n 185-up Komatsu
|
|
|1 |
230-71-11003 |
BLADE LIFT ASS'Y
|
|
|
|1 |
230-71-11002 |
BLADE LIFT ASS'Y
|
|
|
|1 |
230-71-11001 |
BLADE LIFT ASS'Y
|
|
|
|1 |
230-71-00013 |
BLADE LIFT ASS'Y,L.H.
|
|
|
|1 |
230-71-00012 |
BLADE LIFT ASS'Y,L.H.
|
|
|
|1 |
230-71-00011 |
BLADE LIFT ASS'Y,L.H.
|
|
|
|1 |
230-71-00223 |
BLADE LIFT ASS'Y,R.H.
|
|
|
|1 |
230-71-00222 |
BLADE LIFT ASS'Y,R.H.
|
|
|
|1 |
230-71-00221 |
BLADE LIFT ASS'Y,R.H.
|
|
|
1 |
230-71-11111 |
CASE,L.H.
|
|
|
|1 |
230-71-11110 |
CASE,L.H.
|
|
|
|1 |
230-71-11771 |
CASE,R.H.
|
|
|
|1 |
230-71-11770 |
CASE,R.H.
|
|
|
2 |
01010-31445 |
BOLT
|
|
|
|2 |
01000-31445 |
BOLT
|
|
|
3 |
01580-01411 |
NUT
|
|
|
|3 |
01500-31411 |
NUT
|
|
|
4 |
01602-01442 |
WASHER
|
|
|
5 |
230-71-11120 |
BUSHING
|
|
|
6 |
07012-01070 |
SEAL
|
|
|
7 |
04020-00820 |
PIN
|
|
|
8 |
07030-01030 |
BREATHER
|
|
|
9 |
07020-00675 |
FITTING
|
|
|
10 |
07040-12414 |
PLUG
|
|
|
|10 |
07040-02412 |
PLUG
|
|
|
11 |
07003-22430 |
GASKET
|
|
|
12 |
230-71-11131 |
SEAT,L.H.
|
|
|
|12 |
230-71-11130 |
SEAT,L.H.
|
|
|
|12 |
230-71-11591 |
SEAT,R.H.
|
|
|
|12 |
230-71-11590 |
SEAT,R.H.
|
|
|
13 |
230-71-11151 |
GASKET (KIT)
|
|
|
14 |
01010-30830 |
BOLT
|
|
|
|14 |
01000-30830 |
BOLT
|
|
|
15 |
01602-00825 |
WASHER
|
|
|
16 |
230-71-11522 |
BOLT
|
|
|
|16 |
230-71-11521 |
BOLT
|
|
|
17 |
01580-03020 |
NUT
|
|
|
|17 |
01501-03018 |
NUT
|
|
|
|17 |
230-71-11531 |
NUT
|
|
|
18 |
230-71-11511 |
RETAINER
|
|
|
19 |
230-71-11141 |
SCREW
|
|
|
20 |
230-14-11120 |
ELBOW
|
|
|
21 |
07042-01019 |
PLUG
|
|
|
22 |
230-71-11221 |
CASE,L.H.
|
|
|
|22 |
230-71-11220 |
CASE,L.H.
|
|
|
|22 |
230-71-11611 |
CASE,R.H.
|
|
|
|22 |
230-71-11610 |
CASE,R.H.
|
|
|
23 |
230-71-11240 |
GASKET (KIT)
|
|
|
24 |
01010-31455 |
BOLT
|
|
|
|24 |
01000-41450 |
BOLT
|
|
|
25 |
01602-01442 |
WASHER
|
|
|
26 |
230-71-11231 |
BUSHING
|
|
|
27 |
04020-00820 |
PIN
|
|
|
28 |
07042-00617 |
PLUG
|
|
|
29 |
230-71-11160 |
COVER
|
|
|
30 |
230-71-11210 |
GASKET (KIT)
|
|
|
31 |
230-71-05310 |
SHIM ASS'Y
|
|
|
|31 |
230-71-11190 |
SHIM¤ 0.1MM
|
|
|
|31 |
230-71-11180 |
SHIM¤ 0.2MM
|
|
|
32 |
01010-31440 |
BOLT
|
|
|
|32 |
01000-41440 |
BOLT
|
|
|
33 |
01602-01442 |
WASHER
|
|
|
34 |
230-71-11170 |
BUSHING
|