- Главная
- Справочник
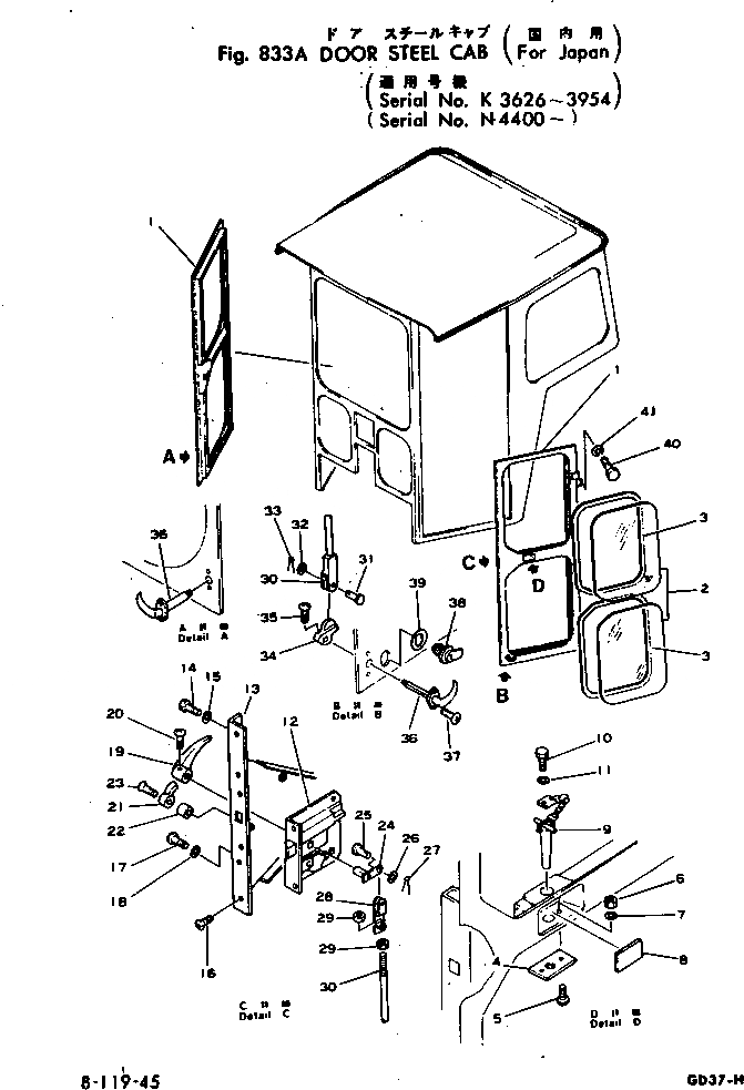
Запчасти дверь стальная кабина(№-) грейдеры gd37-5h s/n 2101-up Komatsu
|
|
|$0 |
232-855-0026 |
CAB ASS'Y
|
|
|
|$1 |
232-855-0050 |
DOOR ASS'Y,L.H.
|
|
|
|$2 |
232-855-0060 |
DOOR ASS'Y,R.H.
|
|
|
1 |
232-855-1613 |
DOOR,L.H.
|
|
|
1 |
232-855-1623 |
DOOR,R.H.
|
|
|
2 |
232-855-1260 |
GLASS
|
|
|
3 |
09410-00244 |
STRIP
|
|
|
4 |
232-855-8530 |
SEAT
|
|
|
5 |
01220-40416 |
SCREW
|
|
|
6 |
01580-10403 |
NUT
|
|
|
7 |
01641-20405 |
WASHER
|
|
|
8 |
232-855-8540 |
SEAT
|
|
|
9 |
232-855-1560 |
PIN
|
|
|
10 |
01010-30612 |
BOLT
|
|
|
11 |
01640-20610 |
WASHER
|
|
|
12 |
232-855-1680 |
LOCK,L.H.
|
|
|
12 |
232-855-1670 |
LOCK,R.H.
|
|
|
13 |
232-855-1631 |
STAY,L.H.
|
|
|
13 |
232-855-1641 |
STAY,R.H.
|
|
|
14 |
01010-30816 |
BOLT
|
|
|
15 |
01602-00825 |
WASHER
|
|
|
16 |
01225-40612 |
SCREW
|
|
|
17 |
01220-30612 |
SCREW
|
|
|
18 |
01640-20610 |
WASHER
|
|
|
19 |
09454-00010 |
HANDLE
|
|
|
20 |
01220-40412 |
SCREW
|
|
|
21 |
232-855-1690 |
LOCK
|
|
|
22 |
232-855-1570 |
SPACER
|
|
|
23 |
01225-30412 |
SCREW
|
|
|
24 |
232-855-1810 |
LINK
|
|
|
25 |
04205-00614 |
PIN
|
|
|
26 |
01641-20608 |
WASHER
|
|
|
27 |
04050-01610 |
PIN
|
|
|
28 |
234-855-1890 |
YOKE
|
|
|
29 |
01580-10605 |
NUT
|
|
|
30 |
232-855-1821 |
ROD
|
|
|
31 |
04205-00614 |
PIN
|
|
|
32 |
01641-20608 |
WASHER
|
|
|
33 |
04050-01610 |
PIN
|
|
|
34 |
232-855-1940 |
LEVER,L.H.
|
|
|
34 |
234-855-1841 |
LEVER,R.H.
|
|
|
35 |
01220-30412 |
SCREW
|
|
|
36 |
232-855-1850 |
HANDLE
|
|
|
37 |
01220-40412 |
SCREW
|
|
|
38 |
232-855-1870 |
LOCK
|
|
|
39 |
232-855-1880 |
SPACER
|
|
|
40 |
01010-30820 |
BOLT
|
|
|
41 |
01602-00825 |
WASHER
|