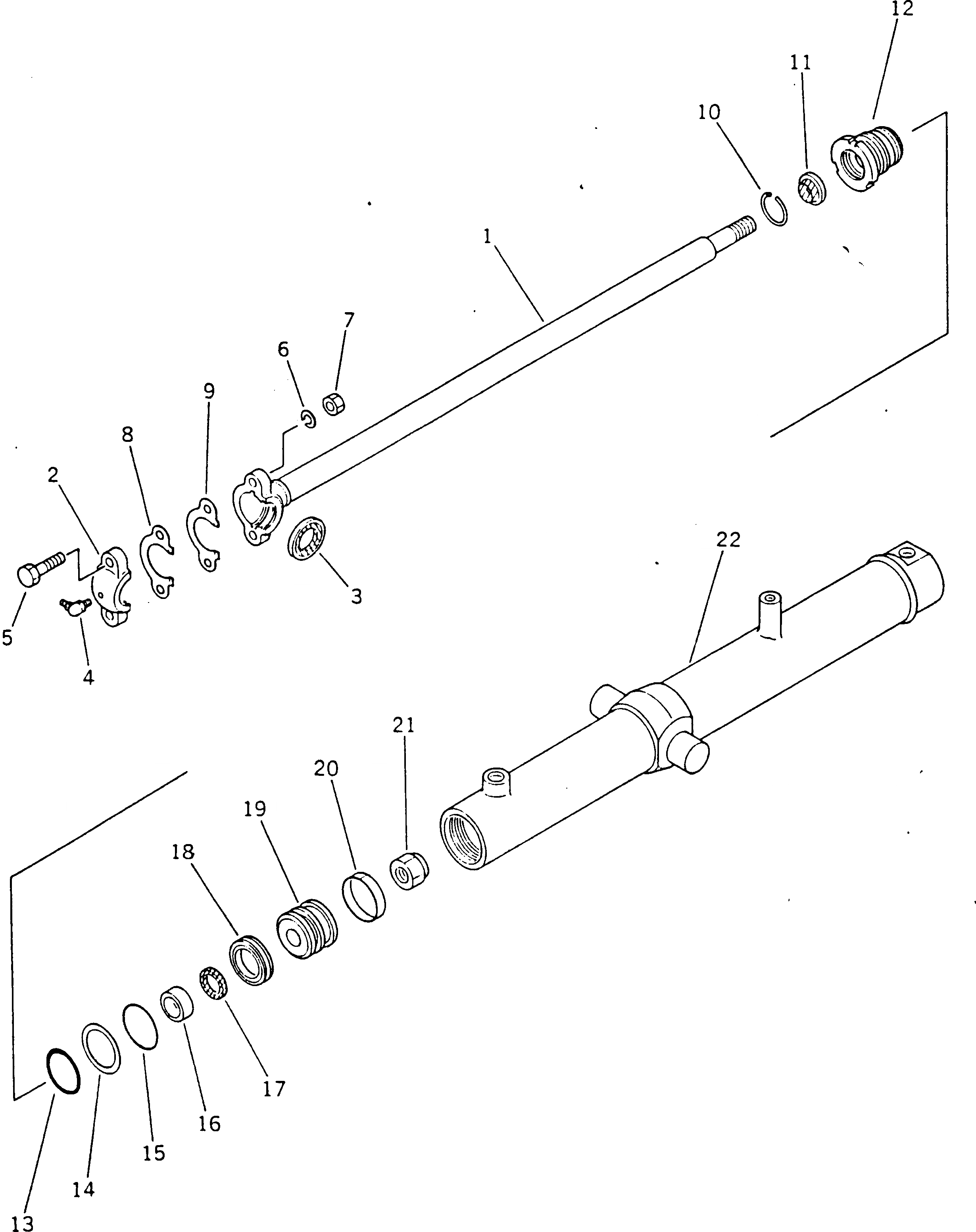
| |1 | 233-63-12500 | CYLINDER ASS'Y,BLADE LIFT | |
| 1 | 233-63-12520 | ROD | |
| 2 | 07138-00760 | CAP,DUST | |
| 3 | 233-63-12390 | SEAL | |
| 4 | 07020-00900 | FITTING | |
| 5 | 01010-51665 | BOLT | |
| 6 | 01602-21648 | WASHER | |
| 7 | 01580-11613 | NUT | |
| 8 | 07139-00705 | SHIM¤ 0.5MM | |
| 9 | 07139-00702 | SHIM¤ 0.2MM | |
| 10 | 07179-00059 | RING,SNAP | |
| 11 | 195-63-75190 | SEAL,DUST | |
| 12 | 707-29-70930 | HEAD,CYLINDER | |
| 13 | 07000-02070 | O-RING | |
| 14 | 07001-02065 | RING,BACK-UP | |
| 15 | 07000-12065 | O-RING | |
| 16 | 07177-04025 | BUSHING | |
| 17 | 707-51-40210 | PACKING | |
| 18 | 07161-10070 | RING,PISTON | |
| 19 | 707-36-70910 | PISTON | |
| 20 | 07155-00720 | RING,WEAR | |
| 21 | 07165-12426 | NUT,NYLON | |
| 22 | 233-63-12540 | CYLINDER |