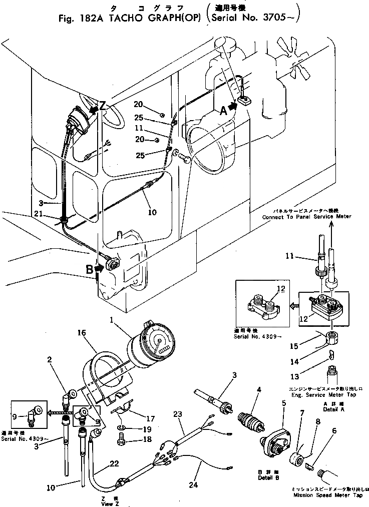
| 1 | 232-806-8250 | TACHOGRAPH | |
| 2 | 232-806-8260 | JOINT | |
| 3 | 232-806-8271 | CABLE | |
| |3 | 232-806-8270 | CABLE¤ 2600MM | |
| 4 | 232-06-27100 | ADAPTER | |
| 5 | 232-806-8280 | BOX | |
| 6 | 236-14-11150 | KEY | |
| 7 | 236-14-11160 | NUT | |
| 8 | 04059-01020 | WIRE | |
| 9 | 232-806-8260 | JOINT | |
| |9 | 232-806-8290 | GEAR | |
| 10 | 232-806-8271 | CABLE | |
| |10 | 232-806-8270 | CABLE¤ 2600MM | |
| 11 | 232-806-8310 | CABLE | |
| 12 | 232-806-8321 | BOX | |
| |12 | 232-806-8320 | BOX | |
| 13 | 236-14-11150 | KEY | |
| 14 | 232-806-8330 | NUT | |
| 15 | 04059-01020 | WIRE | |
| 16 | 232-806-8133 | BRACKET | |
| |16 | 232-806-8132 | BRACKET | |
| 17 | 232-806-8160 | CLIP | |
| 18 | 01010-50620 | BOLT | |
| 19 | 01602-20619 | WASHER | |
| 20 | 01571-01016 | SEAT | |
| 21 | 08037-03614 | GROMMET | |
| 22 | 232-806-8340 | HARNESS | |
| 23 | 232-806-8350 | HARNESS | |
| 24 | 232-806-8360 | CABLE | |
| 25 | 08036-11210 | CLIP |