zakaz@zapkomat.su
8 800 777-45-32
Расчитать заявку
Каталог
Типы
Гидравлика
Крепеж
Прокладки
Соединения
Кожухи
Электрика
Справочник
Запрос сотрудничества
Сервисным организациям
Контакты
Главная
Справочник
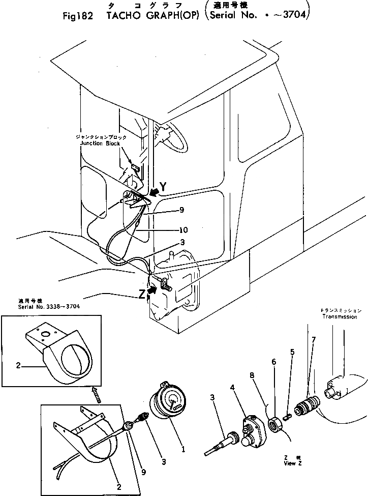
Запчасти тахограф (op)(№.-7) грейдеры gd37-6h s/n 2101-up Komatsu
1
232-806-8170
TACHOGRAPH
2
232-806-8131
BRACKET
|2
232-806-8130
BRACKET
3
234-806-8180
CABLE
4
234-806-8120
BOX
5
234-806-8130
KEY
6
234-806-8140
NUT
7
232-06-27100
ADAPTER
8
04059-01020
WIRE
9
232-806-8210
HARNESS
10
232-806-8220
CABLE
X
Рассчитать
Ваше имя:
Телефон *:
E-mail:
Сообщение: Пришлите наличие и стоимость
Оформить заказ