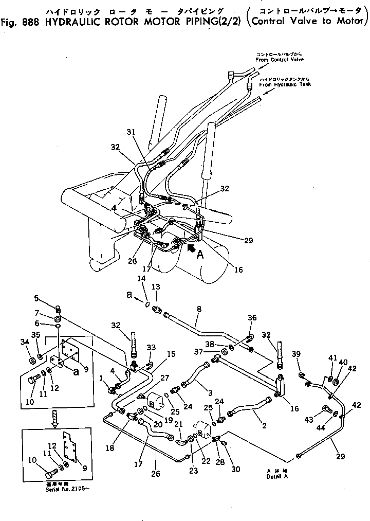
| 1 | 232-975-4240 | ELBOW | |
| 2 | 232-976-4251 | TUBE | |
| |2 | 232-975-4250 | TUBE | |
| 3 | 232-975-4260 | TUBE | |
| 4 | 232-975-4272 | TUBE | |
| |4 | 232-975-4271 | TUBE | |
| |4 | 232-975-4270 | TUBE | |
| 5 | 07231-10315 | ELBOW | |
| |5 | 07231-00315 | ELBOW | |
| |5 | 07232-00315 | ELBOW | |
| 6 | 07002-12034 | O-RING | |
| |6 | 07000-13017 | O-RING | |
| 7 | 07239-12009 | NUT | |
| |7 | 07239-02009 | NUT | |
| 8 | 232-975-4282 | TUBE | |
| |8 | 232-975-4281 | TUBE | |
| |8 | 232-975-4280 | TUBE | |
| 9 | 232-975-4291 | PLATE | |
| |9 | 232-975-4290 | PLATE | |
| 10 | 01010-31025 | BOLT | |
| |10 | 01040-31025 | BOLT | |
| |10 | 01040-31035 | BOLT | |
| 11 | 01602-01030 | WASHER | |
| |11 | 01602-01030 | WASHER | |
| 12 | 01640-01016 | WASHER | |
| |12 | 01640-01016 | WASHER | |
| 13 | 07230-10315 | UNION | |
| |13 | 07230-00315 | UNION | |
| 14 | 07002-12034 | O-RING | |
| |14 | 07000-13017 | O-RING | |
| 15 | 232-975-4932 | TUBE | |
| |15 | 232-975-4931 | TUBE | |
| 16 | 232-975-4952 | TUBE | |
| |16 | 232-975-4951 | TUBE | |
| 17 | 232-975-4961 | TUBE | |
| 18 | 232-975-4110 | TEE | |
| 19 | 07002-12434 | O-RING | |
| |19 | 07000-13022 | O-RING | |
| 20 | 07239-12410 | NUT | |
| |20 | 07239-02410 | NUT | |
| 21 | 07232-10522 | ELBOW | |
| |21 | 07232-00522 | ELBOW | |
| 22 | 07002-12434 | O-RING | |
| |22 | 07000-13022 | O-RING | |
| 23 | 07239-12410 | NUT | |
| |23 | 07239-02410 | NUT | |
| 24 | 07230-10522 | UNION | |
| |24 | 07230-00522 | UNION | |
| 25 | 07002-12434 | O-RING | |
| |25 | 07000-13022 | O-RING | |
| 26 | 232-975-4972 | TUBE | |
| |26 | 232-975-4971 | TUBE | |
| |26 | 232-975-4970 | TUBE | |
| 27 | 232-976-2490 | ELBOW | |
| |27 | 07217-01013 | ELBOW | |
| 28 | 232-976-2121 | TEE | |
| |28 | 232-976-2120 | TEE | |
| |28 | 07218-01013 | TEE | |
| 29 | 232-975-4983 | TUBE | |
| |29 | 232-975-4982 | TUBE | |
| |29 | 232-975-4981 | TUBE | |
| |29 | 232-975-4980 | TUBE | |
| 30 | 07042-00108 | PLUG | |
| 31 | 07100-20408 | HOSE | |
| |31 | 07100-00408 | HOSE | |
| |31 | 07100-00307 | HOSE | |
| 32 | 07108-20611 | HOSE | |
| |32 | 07108-00611 | HOSE | |
| 33 | 07283-12746 | CLIP | |
| |33 | 07283-02746 | CLIP | |
| 34 | 01599-01011 | NUT | |
| |34 | 01554-01011 | NUT | |
| 35 | 01643-31032 | WASHER | |
| 36 | 07283-12738 | CLIP | |
| |36 | 07283-02738 | CLIP | |
| 37 | 01599-01011 | NUT | |
| |37 | 01554-01011 | NUT | |
| 38 | 01643-31032 | WASHER | |
| 39 | 07283-01529 | CLIP | |
| 40 | 01554-00809 | NUT | |
| 41 | 01643-00823 | WASHER | |
| 42 | 232-976-2310 | CLIP | |
| |42 | 232-06-13250 | CLIP | |
| 43 | 01010-51016 | BOLT | |
| |43 | 01000-31016 | BOLT | |
| 44 | 01602-21030 | WASHER |