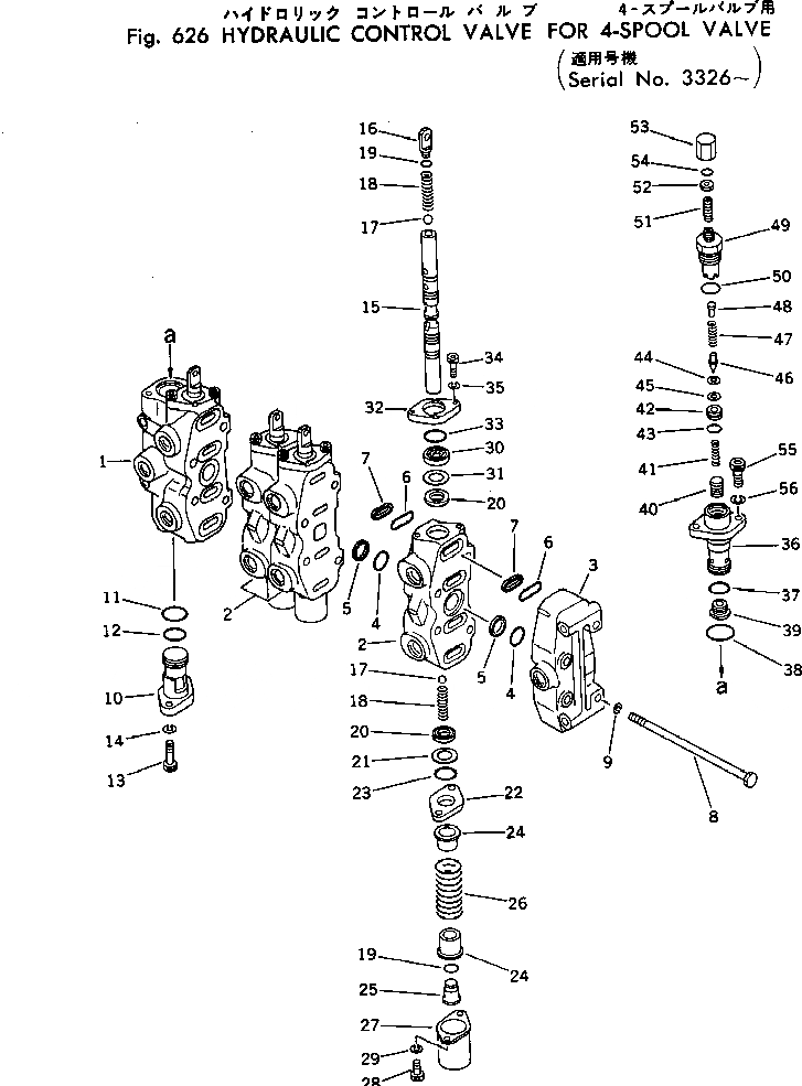
| |1 | 700-74-14000 | VALVE ASS'Y | |
| 1 | BODY | ||
| 2 | BLOCK | ||
| 3 | COVER | ||
| 4 | 07000-13028 | O-RING | |
| 5 | 700-72-31420 | RING | |
| 6 | 07000-13030 | O-RING | |
| 7 | 700-72-31430 | RING | |
| 8 | 700-74-31140 | BOLT | |
| 9 | 01602-01030 | WASHER | |
| 10 | 700-72-31330 | PLUG | |
| 11 | 700-13-31161 | O-RING | |
| |11 | 700-13-31160 | O-RING | |
| 12 | 07000-03032 | O-RING | |
| |12 | 07000-03030 | O-RING | |
| 13 | 01252-31030 | BOLT | |
| 14 | 01602-01030 | WASHER | |
| 15 | SPOOL | ||
| 16 | 700-72-31340 | JOINT | |
| 17 | 700-72-31580 | BALL | |
| 18 | 700-72-31570 | SPRING | |
| 19 | 07002-11423 | O-RING | |
| |19 | 07000-12011 | O-RING | |
| 20 | 700-72-31390 | U-PACKING | |
| 21 | 700-72-31230 | COLLAR | |
| 22 | 700-84-11250 | PLATE | |
| |22 | 700-72-31240 | PLATE | |
| 23 | 700-84-11240 | O-RING | |
| 24 | 700-72-31250 | RETAINER | |
| 25 | 700-72-31380 | PLUG | |
| 26 | 700-72-31270 | SPRING | |
| 27 | 700-72-31280 | COVER | |
| 28 | 01252-30615 | BOLT | |
| 29 | 01602-00619 | WASHER | |
| 30 | 700-84-11820 | SEAL | |
| |30 | 700-72-31290 | SEAL | |
| 31 | 700-72-31310 | COLLAR | |
| 32 | 700-84-11310 | PLATE | |
| |32 | 700-76-31180 | PLATE | |
| 33 | 700-84-11240 | O-RING | |
| 34 | 01252-30620 | BOLT | |
| 35 | 01602-00619 | WASHER | |
| |35 | 700-70-51002 | RELIEF VALVE ASS'Y | |
| |35 | 700-70-51001 | RELIEF VALVE ASS'Y | |
| 36 | SLEEVE | ||
| 37 | 700-13-31161 | O-RING | |
| |37 | 700-13-31160 | O-RING | |
| 38 | 07000-03032 | O-RING | |
| |38 | 07000-03030 | O-RING | |
| 39 | 700-70-51160 | PLUG | |
| 40 | VALVE | ||
| 41 | 700-70-51140 | SPRING | |
| 42 | SEAT | ||
| 43 | 07000-22015 | O-RING | |
| |43 | 07000-12015 | O-RING | |
| 44 | 700-70-51170 | SHIM | |
| 45 | 700-70-51180 | SHIM | |
| 46 | POPPET | ||
| |46 | POPPET | ||
| 47 | 701-30-51171 | SPRING | |
| |47 | 700-10-51170 | SPRING | |
| 48 | 700-10-51181 | RETAINER | |
| |48 | 700-10-51180 | RETAINER | |
| 49 | 700-10-51190 | HOLDER | |
| 50 | 07002-12434 | O-RING | |
| |50 | 07000-13022 | O-RING | |
| 51 | 700-10-51210 | SCREW | |
| 52 | 01580-00605 | NUT | |
| 53 | 700-10-51220 | COVER | |
| 54 | 07002-01423 | O-RING | |
| |54 | 07000-02012 | O-RING | |
| 55 | 01252-31030 | BOLT | |
| 56 | 01602-01030 | WASHER |