zakaz@zapkomat.su
8 800 777-45-32
Расчитать заявку
Каталог
Типы
Гидравлика
Крепеж
Прокладки
Соединения
Кожухи
Электрика
Справочник
Запрос сотрудничества
Сервисным организациям
Контакты
Главная
Справочник
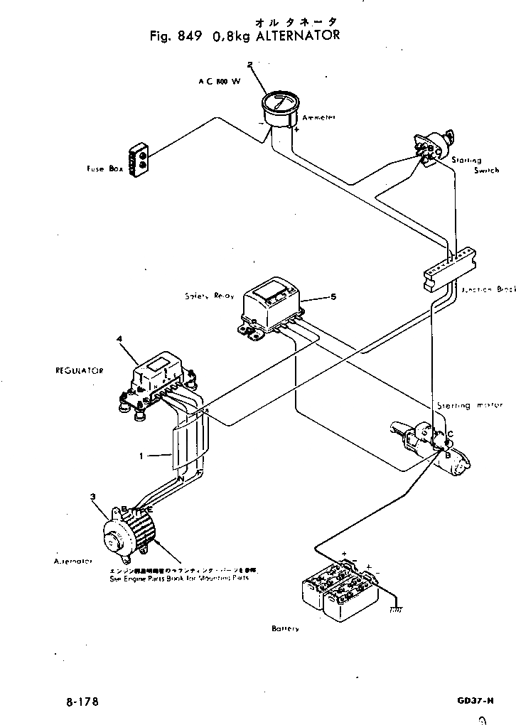
Запчасти .8kw генератор(№-) грейдеры gd37-5h s/n 2101-up Komatsu
1
232-808-7131
HARNESS
|1
232-808-7130
HARNESS
2
08601-15000
AMMETER
3
600-821-8140
ALTERNATOR A.
4
600-822-8110
REGULATOR ASS'Y
5
600-824-8110
SAFETY RELAY A.
X
Рассчитать
Ваше имя:
Телефон *:
E-mail:
Сообщение: Пришлите наличие и стоимость
Оформить заказ