zakaz@zapkomat.su
8 800 777-45-32
Расчитать заявку
Каталог
Типы
Гидравлика
Крепеж
Прокладки
Соединения
Кожухи
Электрика
Справочник
Запрос сотрудничества
Сервисным организациям
Контакты
Главная
Справочник
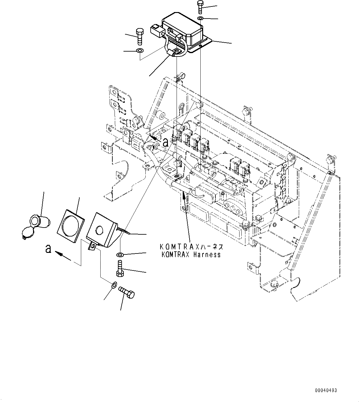
Запчасти электрич. converter для volt источник тока (№9-) погрузчики колесные wa470-6 s/n 90216-up Komatsu
1
22U-06-22251
Converter
2
01010-80616
Bolt
3
01643-30623
Washer
4
198-Z11-2640
Socket Assembly
5
423-06-42611
Bracket
6
01010-81020
Bolt
7
01643-31032
Washer
8
423-06-42871
Sheet
9
04434-50810
Clip
10
01010-81020
Bolt
11
01643-31032
Washer
1
2
3
4
5
6
7
8
9
10
11
6
7
X
Рассчитать
Ваше имя:
Телефон *:
E-mail:
Сообщение: Пришлите наличие и стоимость
Оформить заказ