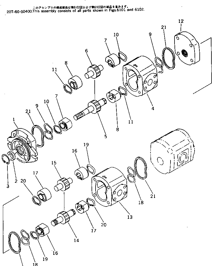
| |1 | 20T-60-00400 | PUMP ASS'Y | |
| 1 | FLANGE | ||
| 2 | SEAL,OIL (K1) | ||
| 3 | RING,SNAP (K1) | ||
| 4 | BODY | ||
| 5 | GEAR,DRIVE (K3) | ||
| 6 | GEAR,DRIVEN (K3) | ||
| 7 | BUSHING (K3) | ||
| 8 | BUSHING (K3) | ||
| 9 | SEAL (K1) | ||
| 10 | PACKING (K1) | ||
| 11 | PACKING (K1) | ||
| 12 | KB20122-47401 | PLATE,WITH COUPLING | |
| 13 | BODY | ||
| 14 | GEAR,DRIVE (K2) | ||
| 15 | GEAR,DRIVEN (K2) | ||
| 16 | BUSHING (K2) | ||
| 17 | BUSHING (K2) | ||
| 18 | SEAL (K1) | ||
| 19 | PACKING (K1) | ||
| 20 | PACKING (K1) | ||
| 21 | SEAL (K1) |