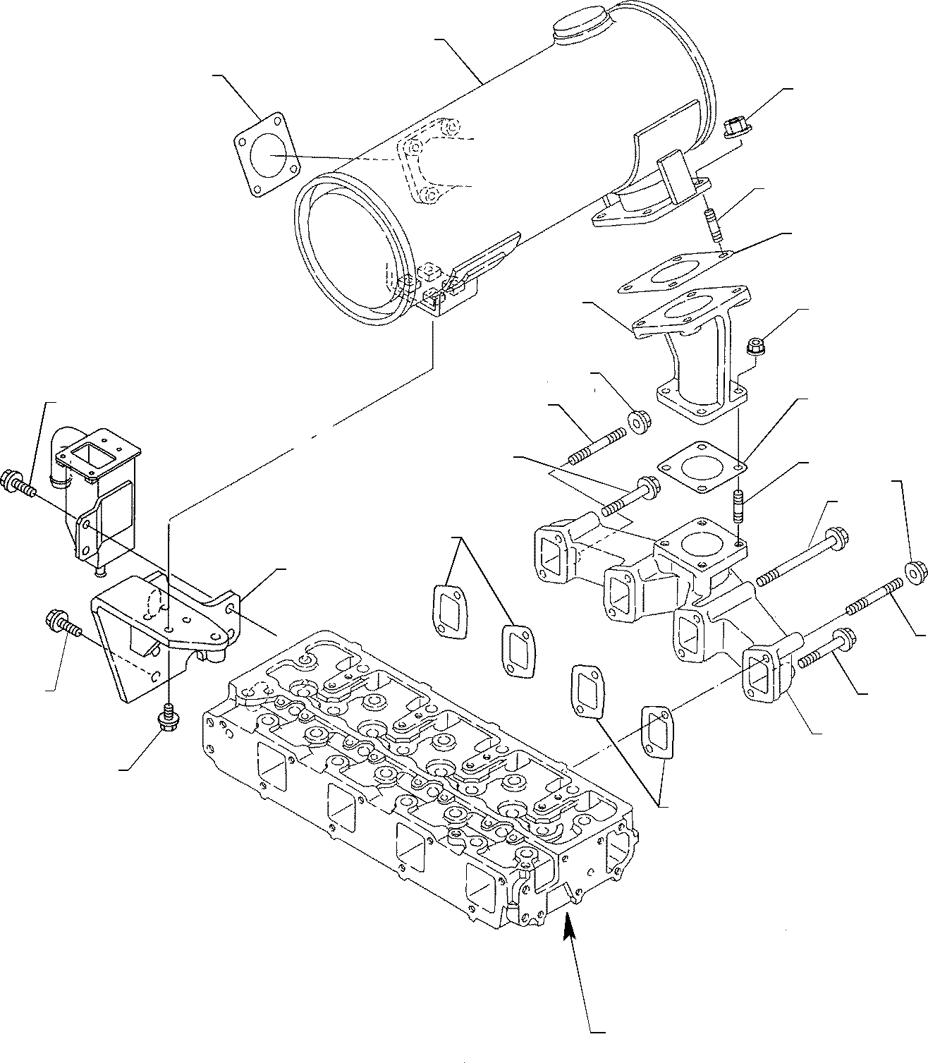
| \0 | 871070048 | ASPIRATED ENGINE | |
| 1 | YM26216-080652 | STUD | |
| 2 | YM123900-13100 | MANIFOLD | |
| 3 | YM123900-13150 | GASKET | |
| 4 | YM26106-080702 | BOLT | |
| 5 | YM26106-081002 | BOLT | |
| 6 | YM119131-18320 | BOLT | |
| 7 | YM123911-13910 | STAY | |
| 8 | YM26106-100222 | BOLT | |
| 9 | YM129400-13201 | GASKET | |
| 10 | YM123911-13500 | SILENCER | |
| 11 | YM123911-13300 | BEND.EXHAUST | |
| 12 | YM128300-13230 | GASKET | |
| 13 | YM129400-13201 | GASKET | |
| 14 | YM26106-080142 | BOLT | |
| 15 | YM26216-100252 | STUD | |
| 16 | YM26366-080002 | NUT | |
| 17 | YM26366-100002 | NUT | |
| 18 | YM26366-080002 | NUT | |
| 19 | YM26106-100252 | BOLT |