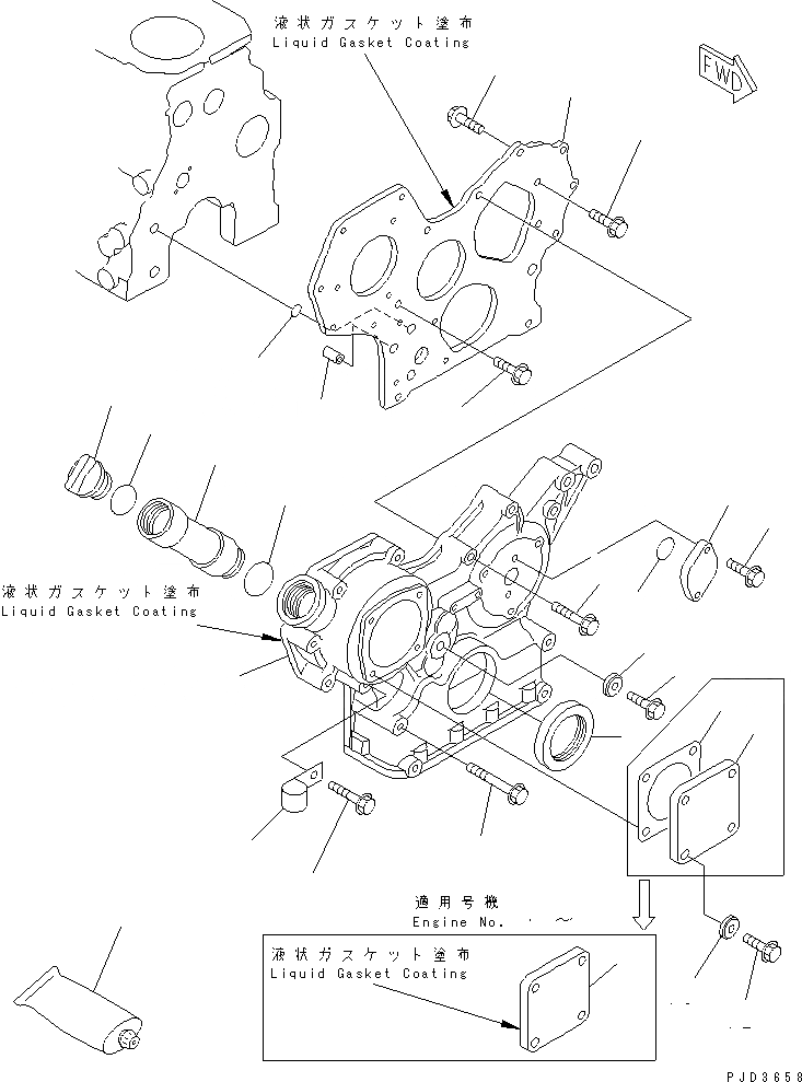
| |1 | YM719810-01500 | FRONT COVER ASS'Y | |
| 1 | COVER,GEAR | ||
| 2 | YM129795-01800 | SEAL¤ FRONT | |
| 3 | YM129400-01520 | FLANGE | |
| 4 | YM124160-01751 | CAP,OIL | |
| 5 | YM124240-01871 | COVER | |
| 6 | YM124240-01883 | GASKET (KIT) | |
| 7 | YM129795-01950 | PIPE | |
| 8 | YM129150-03100 | CLIP,BREATHER HOSE | |
| 9 | YM22190-080002 | SEAL,RING (KIT) | |
| 10 | YM24311-000160 | O-RING (KIT) | |
| 11 | YM24311-000320 | O-RING (KIT) | |
| 12 | YM26106-080122 | BOLT | |
| 13 | YM26106-080162 | BOLT | |
| 14 | YM26106-080202 | BOLT | |
| 15 | YM26106-080452 | BOLT | |
| 16 | YM26106-080552 | BOLT | |
| 17 | YM129001-91841 | BOLT | |
| |17 | YM129001-91840 | BOLT | |
| |17 | YM26106-080852 | BOLT | |
| 18 | YM22190-080002 | SEAL,RING (KIT) | |
| 19 | YM26106-080162 | BOLT | |
| 20 | YM121023-01550 | COVER | |
| 21 | YM24341-000240 | O-RING (KIT) | |
| 22 | YM26106-060162 | BOLT | |
| |22 | YM26106-060122 | BOLT | |
| 23 | YM171031-11741 | FILLER,OIL | |
| 24 | YM24311-000320 | O-RING (KIT) | |
| 25 | YM977770-01212 | LIQUID GASKET |