- Главная
- Справочник
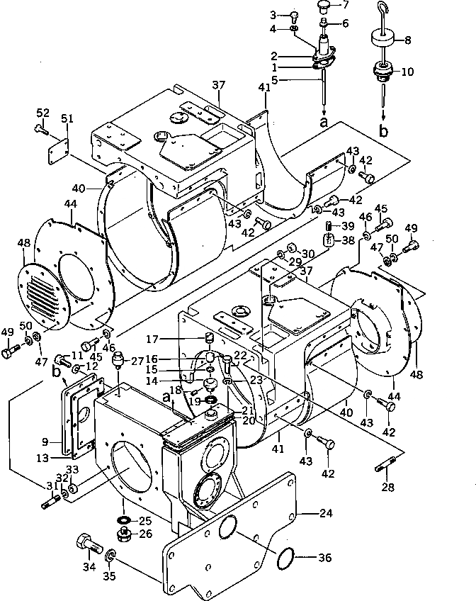
Запчасти кожух и крышка(для задн. power управл-е блок) бульдозеры гусеничные d65a-8 s/n 45001-up Komatsu
|
|
1 |
150-14-13320 |
GASKET
|
|
|
2 |
150-67-13230 |
TUBE
|
|
|
3 |
01010-30820 |
BOLT
|
|
|
4 |
01602-00825 |
WASHER,SPRING
|
|
|
5 |
150-67-13240 |
GAUGE,LEVEL
|
|
|
6 |
150-14-13161 |
KNOB
|
|
|
7 |
130-14-12220 |
CAP
|
|
|
8 |
150-65-13211 |
GAUGE,LEVEL
|
|
|
9 |
150-67-13111 |
COVER
|
|
|
10 |
150-67-13120 |
PLUG
|
|
|
11 |
01010-31020 |
BOLT
|
|
|
12 |
01602-01030 |
WASHER,SPRING
|
|
|
13 |
150-65-13111 |
GASKET
|
|
|
|14 |
150-65-00566 |
CAP ASS'Y
|
|
|
14 |
|
CAP
|
|
|
15 |
|
WASHER
|
|
|
16 |
|
ELEMENT
|
|
|
17 |
|
BOLT
|
|
|
18 |
01324-10620 |
SCREW
|
|
|
19 |
150-27-11232 |
GASKET
|
|
|
20 |
144-65-11390 |
GASKET
|
|
|
21 |
144-65-11380 |
COVER
|
|
|
22 |
01010-31020 |
BOLT
|
|
|
23 |
01602-01030 |
WASHER,SPRING
|
|
|
|24 |
144-65-00011 |
GEAR CASE ASS'Y
|
|
|
24 |
144-65-11361 |
CASE
|
|
|
25 |
07000-03032 |
O-RING
|
|
|
26 |
07044-13620 |
PLUG
|
|
|
27 |
07030-00252 |
BREATHER
|
|
|
28 |
01120-31840 |
STUD
|
|
|
29 |
01602-01854 |
WASHER,SPRING
|
|
|
30 |
01582-01815 |
NUT
|
|
|
31 |
01120-31430 |
STUD
|
|
|
32 |
01602-01442 |
WASHER,SPRING
|
|
|
33 |
01582-01411 |
NUT
|
|
|
34 |
01010-32460 |
BOLT
|
|
|
35 |
01602-02472 |
WASHER,SPRING
|
|
|
36 |
07000-03110 |
O-RING
|
|
|
|37 |
154-65-00141 |
DRUM COVER ASS'Y,L.H.
|
|
|
|37 |
154-65-00151 |
DRUM COVER ASS'Y,R.H.
|
|
|
37 |
150-65-23623 |
COVER,L.H.
|
|
|
|37 |
150-65-23253 |
COVER,R.H.
|
|
|
38 |
150-65-15641 |
BUSHING
|
|
|
39 |
01320-30408 |
SCREW
|
|
|
40 |
150-65-25121 |
COVER,L.H.
|
|
|
|40 |
150-65-25111 |
COVER,R.H.
|
|
|
41 |
150-65-15322 |
COVER,L.H.
|
|
|
|41 |
150-65-15312 |
COVER,R.H.
|
|
|
42 |
01010-31025 |
BOLT,L.H.
|
|
|
|42 |
01010-31025 |
BOLT,R.H.
|
|
|
43 |
01643-01032 |
WASHER,L.H.
|
|
|
|43 |
01643-01032 |
WASHER,R.H.
|
|
|
44 |
150-65-15234 |
COVER,L.H.
|
|
|
|44 |
150-65-15224 |
COVER,R.H.
|
|
|
45 |
01010-31025 |
BOLT
|
|
|
46 |
01602-01030 |
WASHER,SPRING
|
|
|
47 |
01643-01032 |
WASHER
|
|
|
48 |
150-65-15240 |
COVER
|
|
|
49 |
01010-30816 |
BOLT
|
|
|
50 |
01602-00825 |
WASHER,SPRING
|
|
|
51 |
09601-00835 |
PLATE¤ NAME,(LIMITED SUPPLY)
|
|
|
52 |
04418-03060 |
SCREW
|