- Главная
- Справочник
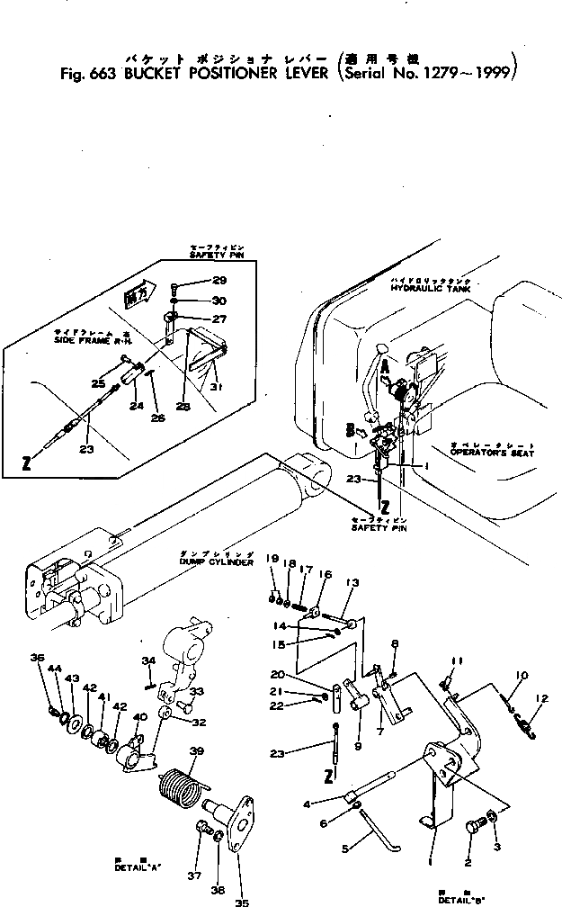
Запчасти позиционер ковшарычаг(№79-) погрузчики гусеничные d95s-1 s/n 1003-up Komatsu
|
|
1 |
155-61-13513 |
BRACKET
|
|
|
2 |
01010-31230 |
BOLT
|
|
|
3 |
01602-01236 |
WASHER,SPRING
|
|
|
4 |
155-61-13520 |
SHAFT
|
|
|
5 |
155-61-13550 |
LEVER
|
|
|
6 |
01580-00806 |
NUT
|
|
|
7 |
155-61-13531 |
LEVER
|
|
|
8 |
04025-00520 |
PIN,ROLL
|
|
|
9 |
155-61-13541 |
LEVER
|
|
|
10 |
155-61-14210 |
HOOK,SPRING
|
|
|
11 |
01580-00403 |
NUT
|
|
|
12 |
145-43-36550 |
SPRING
|
|
|
13 |
145-43-36560 |
ROD
|
|
|
14 |
01640-00610 |
WASHER
|
|
|
15 |
04050-01610 |
PIN,COTTER
|
|
|
16 |
145-43-36570 |
JOINT
|
|
|
17 |
145-60-12381 |
SPRING
|
|
|
18 |
01642-00608 |
WASHER
|
|
|
19 |
01580-00605 |
NUT
|
|
|
20 |
04216-00500 |
JOINT
|
|
|
21 |
01641-00608 |
WASHER
|
|
|
22 |
04050-01610 |
PIN,COTTER
|
|
|
23 |
155-61-13562 |
CABLE
|
|
|
24 |
155-61-14230 |
YOKE
|
|
|
25 |
04205-00822 |
PIN,CLEVIS
|
|
|
26 |
04050-02012 |
PIN,COTTER
|
|
|
27 |
145-43-36620 |
LEVER
|
|
|
28 |
04010-00416 |
KEY
|
|
|
29 |
01010-30825 |
BOLT
|
|
|
30 |
01602-00825 |
WASHER,SPRING
|
|
|
31 |
155-61-13570 |
LEVER
|
|
|
32 |
125-60-13230 |
ROLLER
|
|
|
33 |
04205-01028 |
PIN,CLEVIS
|
|
|
34 |
04050-03015 |
PIN,COTTER
|
|
|
|$34 |
155-61-00070 |
BRACKET ASS'Y
|
|
|
35 |
|
BRACKET
|
|
|
36 |
07020-00675 |
FITTING,GREASE
|
|
|
37 |
01010-31025 |
BOLT
|
|
|
38 |
01602-01030 |
WASHER,SPRING
|
|
|
39 |
141-60-14570 |
SPRING
|
|
|
40 |
155-61-13821 |
DETENT
|
|
|
41 |
06120-02016 |
BEARING
|
|
|
42 |
06122-02004 |
SEAL,DUST
|
|
|
43 |
01640-02032 |
WASHER
|
|
|
44 |
04064-02012 |
RING,SNAP
|