- Главная
- Справочник
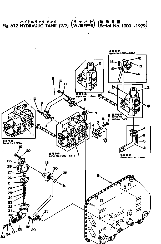
Запчасти гидр. бак. (/) с рыхлителем погрузчики гусеничные d95s-1 s/n 1003-up Komatsu
|
|
|$0 |
155-60-12007 |
TANK ASS'Y
|
|
|
|$1 |
155-60-12006 |
TANK ASS'Y
|
|
|
|$2 |
155-60-12005 |
TANK ASS'Y
|
|
|
1 |
701-43-15004 |
VALVE ASS'Y,BUCKET
|
|
|
1 |
701-43-15003 |
VALVE ASS'Y,BUCKET
|
|
|
1 |
701-43-15002 |
VALVE ASS'Y,BUCKET
|
|
|
2 |
701-41-15002 |
VALVE ASS'Y,RIPPER
|
|
|
2 |
701-41-15000 |
VALVE ASS'Y,RIPPER
|
|
|
3 |
155-60-12170 |
TUBE
|
|
|
3 |
155-60-12170 |
TUBE
|
|
|
4 |
195-60-16450 |
GASKET
|
|
|
4 |
195-60-16450 |
GASKET
|
|
|
5 |
01010-31235 |
BOLT
|
|
|
5 |
01010-31235 |
BOLT
|
|
|
6 |
01602-01236 |
WASHER
|
|
|
6 |
01602-01236 |
WASHER,SPRING
|
|
|
7 |
155-60-12350 |
BAFFLE
|
|
|
8 |
155-60-12181 |
TUBE
|
|
|
8 |
155-60-12180 |
TUBE
|
|
|
9 |
07000-13050 |
O-RING (KIT)
|
|
|
10 |
01010-31445 |
BOLT
|
|
|
11 |
01602-01442 |
WASHER,SPRING
|
|
|
12 |
155-60-12340 |
BAFFLE
|
|
|
13 |
07043-00211 |
PLUG
|
|
|
14 |
07000-03050 |
O-RING (KIT)
|
|
|
15 |
01010-31235 |
BOLT
|
|
|
16 |
01602-01236 |
WASHER
|
|
|
17 |
155-60-12191 |
TUBE
|
|
|
18 |
07000-03050 |
O-RING (KIT)
|
|
|
19 |
01010-31485 |
BOLT
|
|
|
20 |
01602-01442 |
WASHER,SPRING
|
|
|
21 |
155-60-12230 |
FLANGE
|
|
|
22 |
145-60-17191 |
BOLT
|
|
|
23 |
01640-01223 |
WASHER
|
|
|
24 |
145-60-17170 |
VALVE,BYPASS
|
|
|
25 |
135-60-17110 |
SPRING
|
|
|
26 |
01590-00809 |
NUT
|
|
|
27 |
04050-02015 |
PIN,COTTER
|
|
|
28 |
155-60-12221 |
BAFFLE AND CASE
|
|
|
29 |
01010-31245 |
BOLT
|
|
|
30 |
01580-01210 |
NUT
|
|
|
31 |
01602-01236 |
WASHER,SPRING
|
|
|
32 |
155-60-12370 |
CLAMP
|
|
|
32 |
155-60-12240 |
CLAMP
|
|
|
33 |
01010-31016 |
BOLT
|
|
|
34 |
01602-01030 |
WASHER,SPRING
|
|
|
35 |
155-60-12251 |
TUBE
|
|
|
36 |
07000-03050 |
O-RING (KIT)
|
|
|
37 |
07000-03030 |
O-RING (KIT)
|
|
|
38 |
01010-31030 |
BOLT
|
|
|
39 |
01602-01030 |
WASHER,SPRING
|