zakaz@zapkomat.su
8 800 777-45-32
Расчитать заявку
Каталог
Типы
Гидравлика
Крепеж
Прокладки
Соединения
Кожухи
Электрика
Справочник
Запрос сотрудничества
Сервисным организациям
Контакты
Главная
Справочник
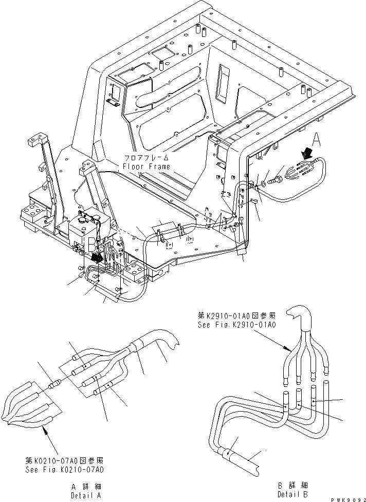
Запчасти основн. конструкция (омыватель стекла шланги)(№-) погрузчики гусеничные d68ess-12 s/n 1001-up (overseas version) Komatsu
1
08017-31513
CONDUIT
2
08024-21910
TAPE, WHITE
3
08024-91920
TAPE, BLACK
4
195-979-8590
VALVE
5
14X-911-1130
TUBE
6
14X-911-1140
TUBE
7
14X-911-1150
TUBE
8
08034-00823
BAND
9
08036-02514
CLIP
10
01010-81020
BOLT
11
01643-31032
WASHER
1
1
1
2
2
2
2
3
3
4
5
5
6
6
7
7
8
8
8
8
8
8
8
9
9
10
11
X
Рассчитать
Ваше имя:
Телефон *:
E-mail:
Сообщение: Пришлите наличие и стоимость
Оформить заказ