zakaz@zapkomat.su
8 800 777-45-32
Расчитать заявку
Каталог
Типы
Гидравлика
Крепеж
Прокладки
Соединения
Кожухи
Электрика
Справочник
Запрос сотрудничества
Сервисным организациям
Контакты
Главная
Справочник
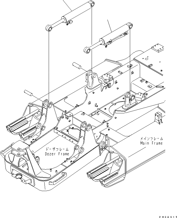
Запчасти цилиндр подъема отвала (для pat) бульдозеры гусеничные d39ex-21 s/n 1001-1499 Komatsu
1
707-00-XA280
CYLINDER GROUP
|1
707-00-XA290
CYLINDER GROUP
1
1
X
Рассчитать
Ваше имя:
Телефон *:
E-mail:
Сообщение: Пришлите наличие и стоимость
Оформить заказ